我的电子开发之路, 其实是从两个电阻, 一只氖泡开始的。
92年那年,在少年科技上,看到电阻, 三极管,电容,小灯泡(咱那会还没有LED灯)组成的闪光灯。
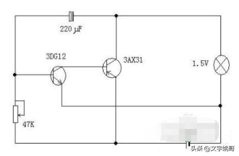
它差不多长这样子

最简单的闪光灯电路
然后满县城的找零件,那时候有种叫广播电视站的机构,也就只有他们有零件卖,可不便宜,92年那会为了攒够这个电路的零件,我花了几个星期。
搞定零件的时候那个激动啊。 。。
只看到修电器的师傅们使用烙铁,自己从来没有用过,也没有,只能用电线去接,好在那会全是插件,零件尺寸也大。好容易接了起来,动一下零件管脚就断掉了。…………
写信求远在上海的老爸买只烙铁,心心念念的等啊等。。。那种心情, 绝对比现在你们约个网上美女见面还是激动。。。
一个月后才拿到烙铁,那时候的锡还是块状的,额外加松香,好不容易搞明白了基础的焊接知识的时候,这只烙铁它已经完蛋了,这种玩意没有控温,如果一直插着,它就一直烧,结果嘛。。归西了…………
就这样,慢慢的走上了电子这条路。
我是15年前才开始使用936的, 比起最早的那一支,的确是好用许多,功率60W,在焊到稍大的焊点的时候,我总是习惯性的拼命往下压,希望它能熔得快一点…… 那时候的我,跟你们一样, 也不知道啥导热啥回温,只以为温度高、压得紧就能快速熔…… 事实上,它并不是那么一回事儿。
5年前,才接触到一个所谓T12的家伙,惊为神器,它能在短短10来秒的时间里就可以使用,平日里焊个贴片什么的,很是顺手,只是使用时间长了, 也发现这家伙的不足,稍大一点的焊点,特别有塑料的开关这样的应用 ,基本上使用T12把线焊好, 塑料开关也回了老家!
3年前,朋友们告诉我高频烙铁好用,也就才开始慢慢研究烙铁到底要如何才好用。。。 它关联的因素有哪些。。。
研究下来烙铁好用的关键,原来并仅是升温快!事实上,以下几个因素才是最重要的:
1,导热好! 发热体的热能,必须能快速的导到焊点上去,这样才能在尽可能短的时间内完成焊接(很多零件的手册上均有焊接时间要求,比如 260度/5秒,如果不能良好的导热,烙铁头接触焊点时会失温,导热不好加热功率再大也白搭,你只能等待由发热体产生的热慢慢的传递过来,这样焊接的时间就超标了,你的零件也有较大的几率挂蛋了)
2,功率大! 正如我们常说的,在绝对的力量面前,一切的技巧全如果杂耍。 如果没有足够的功率支持,再好的导热,想快速提升焊点的温度也是空中楼阁。
3,能控温!没有温度控制的烙铁,持续通电会有红热情况,造成烙铁头烧死不上锡! 这一点上,现在的烙铁都具备,
4,快速的测温响应能力! 当烙铁接触焊点,会失温,控制回路需要快速的将这一过程传递到功率回路,补偿温度上升所需要的热量。这里的温度响应主要是感温头能否直接检测到烙铁头的温度,而不是电路的响应能力,(事实上,再慢的电路对于缓慢变化的温度变化量都是快万倍级别的)。
5,有足够的热容!热容过小升温是快了,但由于温度变化量本身是一个慢速量,不可能太快的响应温度的变化,足够的热容就可以保证在烙铁头接触焊点前期温度的基本稳定。
了解了这些, 我们回头再看曾经用的的烙铁:
老式的内热式或外热式:功率60W算大了,问题是,发热丝与烙铁头经过陶瓷+空气间隙来传递热能,除了没有控温外,压根不能讲什么导热能力更不谈回温能力了,它的焊接流畅与否完全由烙铁头的热容来搞定。 其实也是就是X华宣传的,我的烙铁升温到800度,焊接时掉400度还有400度,这就是热容的直观表述!

936型:相比之前的老式烙铁,这位多了温度控制 ,较大热容的烙铁头在焊接时还算流畅,有了基本的控温能力,寿命也较有保证,然而,它的测温是与发热式一起包在陶瓷层内的。也就是说,当烙铁头快速失温时,这时测得的还是陶瓷层内的温度,会有严重折滞后。也就别谈什么回温能力了。发热芯与烙铁头分离, 热量的传递要经过陶瓷层和空气间隙,导热效率低下。 仅是相比老式内热解决了寿命问题。当然, 那些假货标60W,,实际连变压器都只有35-50W的,也别指望完整的功率输出了。

T12,5年前我认为的神器, 也是目前很多朋友还在使用的神器, 可以从结构图上看它。它把发热芯与烙铁头集成在了一起,导热效率有较936有了提升,但是陶瓷层的存在,依然会严重影响导热效率。热电偶前伸,相比936的测温有了很大的进步。为了有限的功率下获得快速升温,T12选择了小热容的方案,我们知道温度环的响应并不可能非常快,所以,表现在实用中, T12在焊较大焊点时,会需要较长时间。

那么,要解决导热好、功率密度大,热容大,测温好, 回温功率大这些。 就没有一个好的烙铁了么? 事实上,是有的!
如果我们让烙铁头自身发热,那么是不是就可以规避掉陶瓷层及空气带来的附加热阻从而达到良好的导热效率的呢? 对的, 当对金属施加高频的交变磁场时,金属本身会因为涡流与环流而发热。也就是咱们电磁炉的原理。
测温方面,咱们不把它包在陶瓷里,直接顶在烙铁头上可以吗? 当然, 这个想法很好, 这样就可以加快物理上的温度响应速度了。
升温速度慢,我们提高它的功率可行吗? sure! 加大功率有两种方式,电热式的, 加粗电热丝,提高工作电流,当然,这样做手柄的线就需要较粗,否则线损加大; 涡流加热式的,如果不想加大体积,而只是想增加功率密度, 那么P=UI在这里同样适用,加热线圈的线径是一定的,所以, 流过的电流也是一定的,相加大功率就只能提升电压,但是,简单的 提升电压,电流是不也跟着上去了呢。。。? 好在,咱们还有一个选项,涡流加热使用的电感 ,电感的感抗是随频率的升温而加大的,也就是说,如果我们提高频率,就可以在增加电压的情况下,维持电流的不变,功率密度也就提高了,这也就是感应式提高功率密度的原理了。
热容上,就有了两种选择, 一种是类似JBC的,小热容,烙铁头部件重量不足1g,热容小 升温速度也快,烙铁头尺寸可以做得很小,非常适合精细作业使用,不过 ,原厂的价格嘛, 你得小小的考虑一下。
另一种是高频烙铁头的设计,3.5g的热容,对绝大多数的焊接都能得心应手。 便宜烙铁头耗材用起来也不会心疼。
传统的高频焊台全我们的感觉大体如此:

从激活到熔锡得要10来秒,会让人感觉它比T12还不如。
事实上, 这是因为了为省成本 , 为了竞争,大多数厂家的高频焊台,它………… 并不足功率~!
比如华**控的 72W级产品, 以价格便宜在收获用户,却以功率严重不足收获骂声。
标90W的实际 输出70W算是良心!
这样的产品,大大的加深了用户对高频焊台的误解!
实际上,高频性能可以是这样子的!
视频加载中...
在实际3.5克烙铁头重量、大热容负载下, 从激活到熔锡3秒钟,焊塑料开关完全可以在与塑料连接的金属部分温度升起来起完成,大于大尺寸焊点。完全无压力。
静态温度稳定度+-1度,支持自动休眠,省电还能保证烙铁头、烙铁加热线圈的寿命。
主机尺寸仅比一只手机厚一点,重量仅350g。。不占桌面空间,外出携带方便。
带过零检测的高精度热风枪。温度稳定度+-1度,适合精细作业,自动冷却能有效避免手柄熔损。
支持专家级温控调校。适合对精度有着无限追求的朋友们。

有了这套工具,原本使用T12要调到400度的焊点,现在320度就能搞定,低温工作带来的好处: 可以避免PCB板起皮分离,可以避免烫伤零件,减少助焊剂的挥发,而强力的回温能力,能保证熔锡有充分的流动性。
你的焊接水平在有了它后会瞬间提升,这个提升能直接影响你的工作状态,你成为电子高手 的路上,有它会轻松很多!
(转发文章并截图给旺旺上发给我,购买WY815P时,免费 赠送放电笔一支,或3s 主动式锂电池均衡板一片)
已经下单购买的朋友们转发,并旺旺消息给我备注,一样赠送。
放电笔可供赠送数量10支,3S主动均衡板数量40片,先到先得!
不来虚的, 赠送列表会在QQ群公布。