为了降低测温系统的安装难度并提高测温系统的普适性,科大智能电气技术有限公司的研究人员池东亮、李龙龙、束鹏飞、熊树海,在2021年第6期《电气技术》上撰文,设计了一种无线测温系统。该测温系统由主温度汇集单元和从温度感知单元组成,主温度汇集单元与从温度感知单元通过射频(RF)无线方式进行通信。介绍了系统的整体方案设计、硬件设计、软件设计及外形结构设计。该系统安装简单,可适应现场不同的设备,并具有低功耗、易维护的特性。
随着我国经济快速发展和科技水平不断提高,电力设备种类越来越丰富,尤其是高精度设备越来越多,这些设备对温度要求非常高,不同的温度对设备影响很大,如变压器触头,其温度反映了用电负荷情况,如果在高负荷情况下触头温度会升高,温度升高会影响变压器性能,甚至出现故障,最后导致停电并造成经济损失。
传统人为抄读温度仪表盘的方式已不能满足当前测温需求。演变出来的有线式连接主机进行测温的方式对布线规划、施工等要求较高。无线测温发送方式对主站硬件要求过高且不灵活。巡检机器人图像识别仪表盘或者红外相机判断被测物体温度的方法对被测物要求过高,需要有温度传感器硬件支持且能够观察被测物。在新智能环境下,迫切需要一种简便有效且对主机系统通用的无线测温方式。
1 系统整体方案设计
本文所提无线测温系统包括主温度汇集单元和若干个从温度感知单元。系统使用一主多从的方式,可实现同时对多个被测设备进行实时温度测量,从温度感知单元与被测物体接触来测量被测物体的温度,从温度感知单元经无线通信方式将采集到的温度数据发送至主温度汇集单元,主温度汇集单元与主机连接将汇集的温度信息发送至主机。无线测温系统整体设计如图1所示。
2 硬件设计
2.1 硬件整体设计
硬件系统包括两个部分,即从温度感知单元与主温度汇集单元。

图1 无线测温系统整体设计
从温度感知单元包括温度传感器、温度检测电路、微控制单元(micro control unit, MCU)、电源管理电路、锂电池、锂电池电压测量电路、看门狗电路、射频(radio frequency, RF)无线传输模块和RF天线。从温度感知单元硬件设计框图如图2所示。

图2 从温度感知单元硬件设计框图
温度传感器安装在被测物体上,温度传感器经温度检测电路与MCU连接,看门狗电路与MCU输出端连接,锂电池经锂电池电压测量电路与MCU的输入端连接,MCU的输出端经RF无线传输模块及RF天线与主温度汇集单元通信。锂电池输出端与电源管理电路连接,电源管理电路分别与温度检测电路、看门狗电路、锂电池电压测量电路、MCU和RF无线传输模块连接为其供电。
主温度汇集单元包括通用串行总线(universal series bus, USB)接口、USB转串口、MCU、看门狗电路、电源管理电路、RF无线传输模块和RF天线。主温度汇集单元硬件设计框图如图3所示。
RF无线传输模块与RF天线连接,RF无线传输模块与MCU连接,MCU经USB转串口及USB接口与主机进行通信,MCU输出与看门狗电路连接。

图3 主温度汇集单元硬件设计框图
USB接口与电源管理电路输入端连接,电源管理电路输出端与MCU、看门狗电路、RF无线传输模块及USB转串口连接并为其供电。
主温度汇集单元采用USB硬件接口、Modbus软件接口与主机连接,使得主机种类配置更加灵活,使用更加开放,可与包括计算机、手机、融合终端、巡检机器人等拥有USB接口的主机进行连接,且主温度汇集单元使用USB供电,无需外接电源,降低了使用难度。
2.2 主控芯片选型
从温度感知单元采用锂电池供电,为了延长电池的使用时间及减少从温度感知单元的维护工作,从温度感知单元采用超低功耗MCU。
MCU为STM8L系列的STM8L052R8,该芯片在运行模式下,功耗低至200μA/MHz;提供五种低功耗模式,在低功耗等待模式下,功耗仅为3μA;内置64KB Flash,256B带电可擦可编程只读存储器(electrically erasable programmable read only memory, EEPROM)、实时时钟芯片(real time clock, RTC)、液晶显示器(liquid crystal display, LCD)、串行外设接口(serial peripheral interface, SPI)等资源。从温度感知单元采用此超低功耗MCU,可以实现电池使用五年免维护。
主温度汇集单元MCU采用STM32F100C8,该芯片采用32位Cortext-M3内核架构,工作频率可以达到24MHz,内置128KB Flash,8KB静态随机存取存储器(static random access memory, SRAM)、模拟数字转换器(analog to digital converter, ADC)、数字模拟转换器(digital to analog converter, DAC)、12 timers计时器等资源。
2.3 无线传输模块选型
无线传输模块采用的型号是SX1212,SX1212是SEMTECH推出的一款超低功耗集成的单芯片无线收发芯片,频率范围从300MHz到510MHz。本设计采用的频率是433MHz。SX1212具有非常低的功耗,接收模式电流仅有3mA。
2.4 温度检测电路设计
从温度感知单元温度检测电路如图4所示,包括分压电路1、电压跟随电路2和MOS管开关电路3,其中,TEMP_PWR和TEMPH_PWR接MCU引脚,MCU可通过高低电平来控制MOS管开关电路3。由10k电阻R15、330电阻R16与负温度系数(negative temperature coefficient, NTC)热敏电阻R17组成分压电路。
根据热敏电阻R17外界温度不同自身阻值不同的特性和欧姆定理将温度的变化转化成热敏电阻R17两端电压的变化。根据功率放大器特性组成电压跟随电路,TEMP_AD处电压反映热敏电阻R17电压。
TEMP_AD连接MCU的模拟数字转换器(ADC)引脚,通过数模转换,经计算可得到电压值,根据电压和温度之间关系算出温度值。MCU芯片退出睡眠模式,分别改变TEMP_ PWR和TEMPH_PWR电平导通MOS管开关电路3,根据分压电路1和电压跟随电路2,通过TEMP_AD读取

图4 温度检测电路
热敏电阻R17两端电压,算出当前温度。TEMP_PWR和TEMPH_PWR控制不同测温精度和范围,TEMP_ PWR温度分辨率为0.5℃,温度测量范围为-40~170℃。TEMPH_PWR温度分辨率为0.05℃,温度测量范围为-20~125℃。
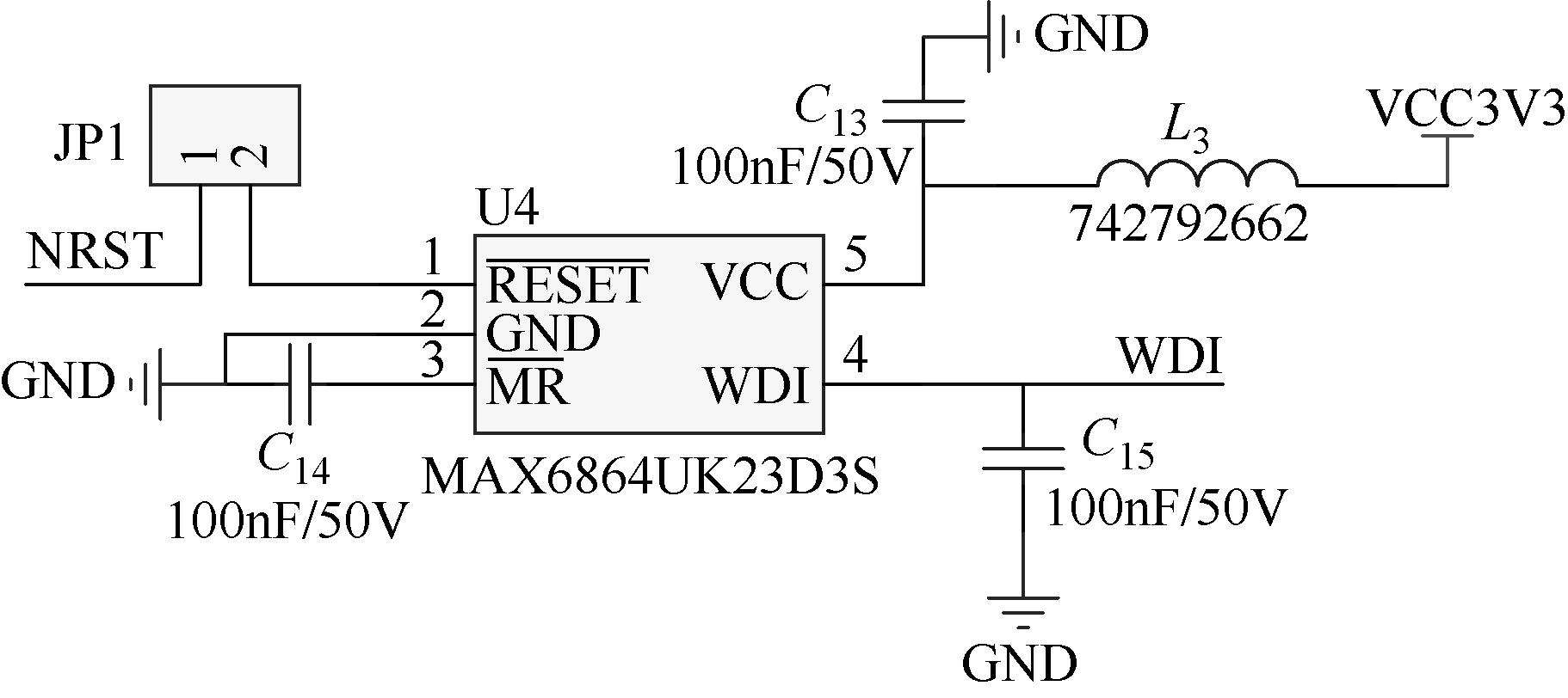
2.5 看门狗电路设计
从温度感知单元与主温度汇集单元的看门狗电路如图5所示,看门狗芯片WDI引脚连接MCU的GPIO引脚,RESET连接MCU的RESET引脚(复位引脚),MCU定时给WDI一个脉冲信号,看门狗芯片获取信号,不对RESET引脚输出脉冲信号,即不对MCU进行复位。如果MCU故障无法进行操作,当时间超过1600ms时,看门狗芯片会输出脉冲信号,对MCU进行复位以解除故障。

图5 看门狗电路
2.6 电源管理电路设计
从温度感知单元与主温度汇集单元的电源管理电路如图6所示,电源管理电路包括3.3V低压差线性稳压器和2.5V基准稳压电路。电源管理电路3.3V低压差线性稳压器将电池电压稳定在3.3V供锂电池电压测量电路、看门狗电路、温度测量电路、RF无线传输模块、低功耗MCU使用。
2.5V基准稳压电路供温度测量电路和电池电压测量电路作电压分压电源使用,并将基准电压输入MCU基准电压输入口,以提供准确的ADC基准电压。电源管理电路3.3V低压差线性稳压器将USB接口提供的电压转化成稳定的3.3V电压,供USB转串口电路、看门狗电路、RF无线传输电路、MCU使用。

图6 电源管理电路
3 软件设计
系统测试温度的方式包括空中匹配和主动上报两种模式。
3.1 空中匹配模式
空中匹配模式程序流程如图7所示。

图7 空中匹配模式程序流程
在从温度感知单元中,MCU对看门狗电路进行操作。温度检测电路将温度传感器所采集的被测物体的温度值保存在MCU中,锂电池电压测量电路测量锂电池的电压并将电压保存至MCU中。MCU将RF无线传输模块设置为接收模式,接收主温度汇集单元发送的读取信息指令,根据读取指令将锂电池的电压值和被测物体的温度值数据发送至主温度汇集单元,发送完毕后进入睡眠状态。
从温度感知单元在睡眠状态无法接收主温度汇集单元的指令,直到其睡眠周期超时后才能接收和回复,睡眠周期在1~65535s之间可设。主温度汇集单元将被测物体温度值和锂电池电压存储在MCU的Modbus表中以供主机通过USB接口使用Modbus规约读取。
此模式适合移动物体抄读温度数据,如安装主温度汇集单元的巡检机器人、安装主温度汇集单元的手机、人为巡检等。
3.2 主动上报模式
主动上报模式程序流程如图8所示。

图8 主动上报模式程序流程
从温度感知单元进入睡眠超低功耗状态,睡眠周期到达后,模块转为工作状态:①进行看门狗喂*操狗**作;②温度传感器测量温度;③进行电池电压检测;④模块发送采集的被测物体温度信息和锂电池电量信息。若发送完毕后接收到主温度汇集单元应答,模块进入低功耗睡眠模式。若未收到应答,模块继续发送直至超过重发次数,模块进入低功耗睡眠模式。
此模式适合固定在从模块附近不移动主机,如安装主温度汇集单元的融合终端、安装主温度汇集单元的台式计算机等。
从温度感知单元与主温度汇集单元之间采用主动上报和空中匹配两种工作方式进行交互,使用灵活,可以有效降低产品的功耗。主机根据获取的锂电池的电压信息,可判断当前从温度感知单元的电量使用情况,现场运维人员根据从温度感知单元电量情况进行维护,如电量低时更换电池或者更换设备。
4 产品外形结构设计
4.1 从温度感知单元结构
从温度感知单元外形设计为表带形状,方便现场固定安装。温度传感器触头使用引线引出,在安装时可与被测物体测温点贴合更紧密,测试温度更加准确。从温度感知单元共有三种颜色样式,分别为黄、绿、红三色,三种颜色搭配安装,更容易区分且不易出错。从温度感知单元实物如图9所示。

图9 从温度感知单元实物
4.2 主温度汇集单元结构
主温度汇集单元外形为方形盒状结构,天线和USB连接线通过连接器引出,在外部面板上有设备工作状态的指示灯。主温度汇集单元实物如图10所示。

图10 主温度汇集单元实物
5 结论
本文所提无线测温系统中的从温度感知单元采用锂电池供电,现场安装方便;使用低功耗MCU,采用其超低功耗方式采集被测物体温度信息和锂电池电量信息,使电池可使用时间更长;主温度汇集单元采用USB硬件插口、Modbus软件接口与主机连接,使得主机种类配置更加灵活。
主从模块通信具备空中匹配和主动上报两种模式,保证主温度汇集单元与从温度感知单元之间通信的稳定性,且两种工作模式可根据使用要求进行选择,保证低功耗运行情况下设备的稳定性。
本文编自2021年第6期《电气技术》,论文标题为“一种无线测温系统的设计与实现”,作者为池东亮、李龙龙、束鹏飞、熊树海。