试验目的
交流耐压试验是鉴定电力设备绝缘强度最有效和最直接的方法。 电力设备在运行中, 绝缘长期受着电场、 温度和机械振动的作用会逐渐发生劣化, 其中包括整体劣化和部分劣化,形成缺陷, 例如由于局部地方电场比较集中或者局部绝缘比较脆弱就存在局部的缺陷。
各种预防性试验方法, 各有所长, 均能分别发现一些缺陷, 反映出绝缘的状况, 但其他试验方法的试验电压往往都低于电力设备的工作电压, 但交流耐压试验电压一般比运行电压高, 因此通过试验后, 设备有较大的安全裕度, 所以这种试验已成为保证安全运行的一个重要手段。
但是由于交流耐压试验所采用的试验电压比运行电压高得多, 过高的电压会使绝缘介质损耗增大、 发热、 放电, 会加速绝缘缺陷的发展, 因此, 从某种意义上讲, 交流耐压试验是一种破坏性试验, 在进行交流耐压试验前, 必须预先进行各项非破坏性试验。
如测量绝缘电阻、 吸收比、 介质损耗因数 tanδ 、 直流泄漏电流等, 对各项试验结果进行综合分析, 以决定该设备是否受潮或含有缺陷。 若发现已存在问题, 需预先进行处理, 待缺陷消除后, 方可进行交流耐压试验, 以免在交流耐压试验过程中, 发生绝缘击穿, 扩大绝缘缺陷, 延长检修时间, 增加检修工作量。
本试验用来验证线端和中性点端子及它们所连接绕组对地及其他绕组的外施耐受强度(见 GB1094.3)。 交流耐压试验是检验变压器绝缘强度最直接、 最有效的方法, 对发现变压器主绝缘的局部缺陷, 如绕组主绝缘受潮、 开裂或者在运输过程中引起的绕组松动, 引线距离不够, 油中有杂质、 气泡以及绕组绝缘上附着有脏污等缺陷十分有效。 变压器交流耐压试验必须在变压器充满合格的绝缘油, 并静止一定时间且其他绝缘试验均合格后才能进行。
检查绕组接头的焊接质量和绕组有无匝间短路; 电压分接开关的各个位置接触是否良好, 以及分接开关实际位置是否相符; 引出线有无断裂; 多股导线并绕的绕组是否有断股等情况。
试验设备

油浸式工频耐压试验装置
厂家: 湖北众拓高试
1、 高压试验控制箱
试验控制箱式高压试验变压器的配套设备, 是用于试验变压器的配套设备, 主要用于试验变压器的调压控制, 其工作原理是通过调整自耦调压器的输出电压, 实现试验变压器额定范围内的工作电压调节。
2、 高压试验变压器
试验变压器是电力设备检测及预防性试验所必须的试验设备, 用于输出交流高压, 对各类高压试验提供较高电压, 使用于高电压电力设备的交流耐压设备。
选用试验变压器时要考虑以下两点:
(1) 电压
根据被试品的试验电压, 选用具有适合电压的试验变压器。 要检查试验变压器所需低压侧电压是否与现场电源电压、 调压器相配。 试验电压较高时, 可采用多级串接式试验变压器。
(2) 电流
电流按下式计算: I=ω C x U
式中: I —— 试验变压器高压侧应输出的电流, mA;
U —— 试验电压;
C x —— 被试品电容量;
ω —— 角频率。
其中 C x 可从测量被试品的电容量中得到。 相应求出试验所需电源容量 P:
P=ω C x U 2
试验时, 按 P 值选择变压器容量, 一般不得超载运行。
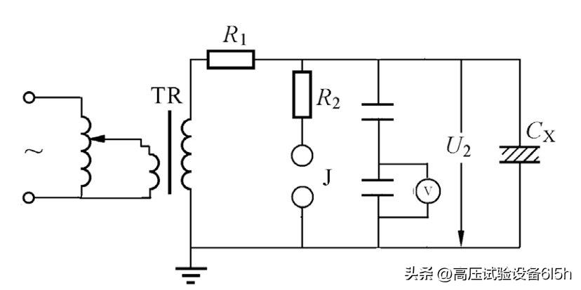
试验接线

试验准备
1、 试验前的准备工作
- 填写第一种工作票, 编写作业控制卡、 质量控制卡, 办理工作许可手续。
- 向工作班成员交待工作内容、 人员分工、 带电部位, 进行危险点告知, 并履行确认手续后开工。
- 准备试验用仪器、 仪表、 工具和个人安全工器具, 所用仪器仪表良好, 所用仪器、仪表、 工具均应在合格周期内。
- 检查试品外壳, 应可靠接地检查变压器本体和有载调压开关油位在正常位置。
- 用放电棒对被试设备进行充分放电。
- 放电后, 拆除被试设备高压、 中压、 低压引线, 其他检修人员撤离现场。
- 检查试品外观, 清洁绝缘表面污垢。
- 试验现场周围装设试验围栏, 必要时派专人看守。
- 接取试验电源, 先测量电源电压是否符合试验要求, 电源线必须固定, 防止突然
- 断开, 检查漏电保护装置是否灵敏动作。
- 抄录铭牌, 记录天气情况和温、 湿度, 安装位置, 试验日期。
2、 试验接线
- 先将被试品的被试绕组 A、 B、 C、(O) 三相用裸铜线短路连接, 其余非被试绕组用裸铜线短路连接, 并与外壳一起接地。 并将仪器可靠接地。
- 将保护球隙可靠接上接地线。
- 将试验变压器可靠接上接地线, 将高压控制箱的外壳用接地线可靠连接。
- 连接被试品绕组接到保护球隙高压侧。
- 连接试验变压器的仪表端到控制箱的仪表端, 连接控制箱输出端到试验变压器输入端。
- 所有接线完毕, 最后检查所有接线是否正确。
3、 试验操作
- 先将高压试验控制箱接上电源线, 合上电源刀闸。
- 按下电源开关, 逆转调压器至零位, 将过流保护器调整到最小位置
- 合上高压启动键进行预升, 等球隙放电后过流继电器动作, 记录该放电电压。 拉开电源刀闸, 用放电棒将高压回路接地, 调整球隙间距。 反复进行调整操作, 使球隙放电电压为试验电压的 1.15~1.2 倍
- 拉开电源闸刀, 用放电棒将高压回路接地, 连接绕组与被试电源的高压引线, 拆除临时接地线
- 合上电源闸刀, 按下高压启动键, 开始升压。 升压速度在 75%试验电压以前, 可以是任意的, 自 75%电压开始均匀升压, 约为每秒 2%试验电压的速率升压。
- 升压的同时观察电压和电流表的变化。在升压过程中, 如果发现电流值迅速增加, 应立即停止升压, 按下停止按钮, 停止高压输出。 升压完成后一只手应放置在停止按钮附近, 随时警戒异常情况的发生, 以便立即进行跳闸操作。
- 观察电压表, 若升到指定的电压值, 则停止继续升压
- 当升压至要求电压时, 开始计时, 计时到最后 10s 时开始倒数, 时间到开始降压。在施压阶段, 应注意保持与高压设备的安全距离。 防止被高压所伤。
- 当发生以下现象时, 表示被试品已经被击穿, 应立即停止加压并降压: a 被试品内部发出响声、 冒烟、 闪弧、 燃烧等; b、 电流表指针突然摆动或表指针突然升高。
- 在耐压时间内未出现异常, 即可降压。 旋动调压器转轮均匀转到零位, 按下停止按钮, 切断高压输出, 拉开电源刀闸, 关闭电源开关。
4、 试验拆线
- 用专用放电棒对被试绕组进行放电并挂上临时接地线。 等充分放电后, 取下放电棒, 放电,结束。
- 试验结束, 拆除试验接线。
试验标准
1、 Q/GDW168《输变电设备状态检修试验规程》,DLT596《电气设备预防性试验规程》,外施耐压试验为出厂试验值的 80%, 时间为 60s。
2、《电气装置安装工程电气设备交接试验标准 GB 50150》
绕组连同套管的交流耐压试验, 应符合下列规定:
(1) 容量为 8000kVA 以下、 绕组额定电压在 110kV 以下的变压器, 线端试验应按表 1
进行交流耐压试验;
(2) 容量为 8000kVA 及以上、 绕组额定电压在 110kV 以下的变压器, 在有试验设备时,可按表 1 试验电压标准, 进行线端交流耐压试验;
表1.电力变压器和电抗器交流耐压试验电压标准kV
|
系统 标称 电压 |
设备 最高电 压 |
交流耐压 |
|
|
油浸式电力变压器和 电抗器 |
干式电力变压器和电 抗器 |
||
|
<1 |
≤1.1 |
/ |
2.5 |
|
3 |
3.6 |
14 |
8.5 |
|
6 |
7.2 |
20 |
17 |
|
10 |
12 |
28 |
24 |
|
15 |
17.5 |
36 |
32 |
|
20 |
24 |
44 |
43 |
|
35 |
40.5 |
68 |
60 |
|
66 |
72.5 |
112 |
/ |
|
110 |
126 |
160 |
/ |
|
220 |
252 |
316(288) |
/ |
|
330 |
363 |
408(368) |
/ |
|
500 |
550 |
544(504) |
/ |
注: a、 上表中, 变压器试验电压是根据现行国家标准《电力变压器 第 3 部分: 绝缘水平、 绝缘试验和外绝缘空气间隙》 GB 1094.3 规定的出厂试验电压乘以 0.8 制定的。
b、 干式变压器出厂试验电压是根据现行国家标准《干式电力变压器》 GB 6450 规定的出厂试验电压乘以 0.8 制定的。
(3) 绕组额定电压为 110kV 及以上的变压器, 其中性点应进行交流耐压试验, 试验耐受电压标准为出厂试验电压值的 80%(见表 2)。
表 2.额定电压 110kV 及以上的电力变压器中性点交流耐压试验电压标准 kV
|
系统标 答称电压 |
设备最高 电压 |
中性点接地 方式 |
出厂交流 耐受电压 |
交流耐 受电压 |
|
110 |
126 |
不直接接地 |
95 |
76 |
|
220 |
252 |
直接接地 |
85 |
68 |
|
不直接接地 |
200 |
160 |
||
|
330 |
363 |
直接接地 |
85 |
68 |
|
不直接接地 |
230 |
184 |
||
|
500 |
550 |
直接接地 |
85 |
68 |
|
经小阻抗接 地 |
40 |
112 |
(4) 交流耐压试验可以采用外施工频电压试验的方法, 也可采用感应电压试验的方法。试验电压波形尽可能接近正弦, 试验电压值为测量电压的峰值除以√ 2, 试验时应在高压端监测。
外施交流电压试验电压的频率应为 45~65Hz, 全电压下耐受时间为 60s。
注意事项
(一) 试验原理注意事项
1、 容升效应
试验变压器所接被试品大多数是电容性, 在交流耐压时, 容性电流在绕组上产生漏抗压降, 造成实际作用到被试品上的电压值超过按变比计算的高压侧所应输出的电压值, 产生容升效应。 被试品电容及试验变压器漏抗越大, 则容升效应越明显。因此, 升压倒数 25%时, 应缓慢升压, 注意不超过试验值。
2、 电压谐振
由于被试品电容与试验变压器、 调压器的漏抗形成串联回路, 一旦被试品容抗与试验变压器、 调压器漏抗之和相等或接近时, 发生串联电压谐振, 造成被试品端电压显著升高, 危及试验变压器和被试品的绝缘。 在试验大电容量的被试品时, 应注意预防发生电压谐振, 为此, 除在高压侧直接测量试验电压外, 还应与被试品并接球隙进行保护。 必要时可在调压器输出端串接适当的电阻, 以减弱(阻尼) 电压谐振的程度。
3、 电压波形
试验电压由于电源波形或由于试验变压器铁心饱和及调压器的影响致使波形畸变, 当电压不是正弦波时, 峰值与有效值之比不等于√ 2, 其中的高次谐波(主要是三次谐波) 与基波相重叠, 使峰值增大。 由于过去现场较多使用电压表测量有效值, 所以被试品上可能受到过高的峰值电压作用, 应改用交流峰值电压表测量。 为避免试验电压波形畸变, 可采用以下措施:
a、 避免采用移圈式调压器;
b、 电源电压应采用线电压;
c、 试验变压器一般应在规定的额定电压范围内使用, 避免使用在铁芯的饱和部分;
d、 可在试验变压器低压侧加滤波装置。
4、 低压回路保护
为保护测量仪表, 可在测量仪表输入端上并联适当电压的放电管或氧化锌压敏电阻器、浪涌吸收器等。 控制电源和仪器用电源可由隔离变压器供给, 或者在所用电源线上分别对地并联 0.047μ F~1.0μ F 的油纸电容器, 防止被试品闪络或击穿时, 在接地线上产生较高的暂态地电位升高过电压, 将仪器或控制回路元件反击损坏。
5、 过电压保护装置的规定
进行耐压试验时试验回路中应具备过电压、过电流保护。可在升压控制柜中配置过电压、过电流保护的测量、 速断保护装置。 对重要的被试品(如发电机、 变压器等) 进行交流耐压试验时, 宜在高压侧设置保护球间隙, 该球间隙的放电距离对发电机一般可整定为 1~1.5 倍额定电压所对应得放电距离; 对变压器整定 1.15~1.2 倍额定电压所对应的放电距离。
6、 更换高压接线安全问题
交流耐压试验结束, 降压和切断电源后, 被试品中残留的电荷, 自动反向经试验变压器高压绕组对地放电, 因此被试品对地放电问题不像直流电压试验那样重要。 但对于需要更换高压接线, 有较多人工换线操作的工作, 为了防止电源侧隔离开关或接触器不慎突然来电等意外情况, 在更换接线时应在被试品上悬挂接地放电棒, 比保证人身安全, 并采取措施; 在再次升压前, 先取下放电棒, 防止带接地放电棒升压。
7、 防止合闸过电压
当使用移圈调压器进行交流耐压试验, 电源突然合闸时(此时调压器已在零位), 有时会在被试品上产生较高电压的合闸过电压, 是被试品闪络或击穿。 为防止此情况的发生, 应在移圈调压器输出到试验变压器一次绕组之间, 加装一组隔离开关。先将调压器电源合闸后,再合上此隔离开关。
(二) 操作注意事项
- 交流耐压是一项破坏性试验, 因此耐压试验之前被试品必须通过绝缘电阻、 吸收比、绝缘油色谱、 tanδ 等各项绝缘试验且合格。 充油设备各还应在注油后静置足够时间(110kV及以下, 24h; 220kV,48h; 500kV, 72h) 方能加压, 以避免耐压时造成不应有的绝缘击穿。
- 进行耐压试验时, 被试品温度应不低于+5℃, 户外试验应在良好的天气进行, 且空气相对湿度一般不高于 80%。
- 试验过程中试验人员应大声呼唱, 加压过程中应有人监护。
- 加压期间应密切注视表记指示动态, 防止谐振现象发生; 应注意观察、 监听被试变压器、 保护球隙的声音和现象, 分析区别电晕或放电等有关迹象。
- 有时耐压试验进行了数十秒钟, 中途因故失去电源, 是试验中断, 在查明原因、 恢复电源后, 应重新进行全时间的持续耐压试验, 不可仅进行“补足时间” 的试验。
- 谐振试验回路品质因数 Q 值的高低与试验设备、 试品绝缘表面干燥清洁及高压引线直径大小、 长短有关, 因此试验宜在天气晴好的情况下进行。 试验设备、 试品绝缘表面应干燥、 清洁。 尽可能缩短高压引线的长度, 采用大直径的高压引线, 以减小电晕损耗。 提高试验回路品质因数 Q 值。
- 变压器的接地端和测量控制系统的接地端要互相连接, 并应自成回路, 应采用一点接地方式, 即仅有一点和接地网的接地端子相连。
- 耐压前应检查所需电源容量和试验设备的容量是否满足要求。
试验周期
- 变压器大修后。
- 必要时。