车型:2011年宝马E70/X5/35i,配置N55发动机。
故障现象:客户反映开空调,空调无冷风;车辆刚加满燃油箱,但油表不显示;后车窗无自动升降功能,且仪表上显示防夹保护启用。
故障诊断:接车后,用诊断仪诊断,显示相关故障有:
009C5E JBE制冷剂压力传感器
00ET2A 信息(制冷循环回路压力OX2D2)缺失,接收器IHKA,发射器JBE
00A6E4 JBE左燃油液位传感器
00A6E5 JBE右燃油液位传感器
009319 KOMBI 左燃油液位传感器
9319 KOMBI 右燃油液位传感器
006ACF JBE 自动车内空气循环控制系统传感器
首先排除空调不制冷故障。启动发动机,开启空调后,压缩机不工作,检查制冷高低压管路压力正常,由于存在制冷剂压力传感器故障,接下来对制冷剂压力传感器进行检查。拔下传感器B97上的插头(如图1所示),打开点火开关,检查插头线束侧:3号脚蓝/黑线对应插针上有5V供电(标准电压5V)正常;2号脚黑/褐线对应插针上也是5V的电压(标准电压5V)正常;1号脚 棕/白线对应插针上有12V的电压。对照电路图(如图2所示)可知,该棕/白线为制冷剂压力传感器的搭铁线,正常情况下电压应为0,而此处却有12V的电压,很显然制冷剂压力传感器的供电系统出现故障,传感器的搭铁线与正极短路所致。由电路图可知,该传感器由接线盒电子装置(JBE)控制,为了确定短路的大致位置,关闭点火开关,拔下JBE上蓝色插头X14271,再次测量制冷剂压力传感器B97插头线束侧,电压分别为0,且三根线之间相互无短路。测量B97传感器棕/白接地线与正极之间,无论打开还是关闭点火开关也不存在短路,说明从制冷剂压力传感器插头到接线盒电子装置(JBE)插头之间的导线不存在故障。

图1 压力传感器插头

图2 压力传感器电路
连接适配器630410(适配器:保持原电路正常连接的专用测量工具,如图3所示),打开点火开关,测量接线盒电子装置蓝色插头X14271上的30号、51号、26号脚的电压,测量结果是:30号脚上5V(正常),51号脚上5V(正常),26号脚上12V(不正常),初步断定制冷剂压力传感器的搭铁线在接线盒电子装置(JBE)内部短路,使得制冷剂压力传感器的搭铁线上有12V的电压,导致该传感器不能提供正确的压力信号,所以开空调后空调不能工作。
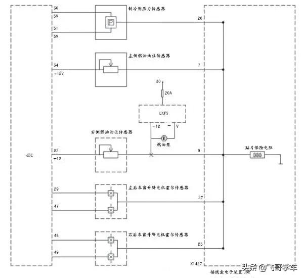
接下来排除油表不准的故障。该车在燃油箱的左侧和右侧各有一个燃油油位传感器,这两个滑线变阻式传感器由接线盒电子装置(JBE)提供12V电压,该供电线也是信号线,反馈当前的油位信号。JBE在读取这两个油位信号后,将此测量值通过 K-CAN 总线传递给组合仪表,从而在组合仪表中显示燃油箱中当前油量(如图4所示)。

图3 连接适配器

图4 燃油位置传感器电路
由于油位传感器故障当前存在,所以首先排除该传感器是否正常,拨下燃油泵上的插头(如图5所示), 在燃油泵侧检查右侧油位传感器的阻值,测量结果是101Ω,标准值50~1002Ω(50满,1002空)。

图5 燃油泵插头
检查右侧油位传感器插头的线束侧2号端子,打开点火开关有12V的供电,1号端子与搭铁电阻无穷大,没有搭铁。
测量左侧油位传感器供电正常,搭铁也是断路状态, 测量燃油泵端子供电和搭铁均正常。由上述电路图可知,油位传感器是由接线盒电子装置(JBE)监控,JBE为传感器提供供电,传感器又在JBE内部搭铁。接下来在接线盒电子装置(JBE)的插头X14271(蓝色)处连接适配器继续测量, 结果显示, 从油位传感器插头到JBE 插头的线束导通良好,而JBE插头X14271的7号端子与9号端子与搭铁仍不导通。说明油位传感器的搭铁线在接线盒电子装置(JBE)内部断路。
综上所述,两个故障原因追溯到JBE内部断路和短路,而JBE 本身的供电和搭铁正常。所以故障判定为JBE损坏, 换上新的JBE 编程设码后,上述三个故障均排除,维修完工车辆交付客户。
过了一周后,此车又开回我店,客户反映出现的故障与上次一模一样,客户非常生气,一直埋怨维修人员忽悠他,上次钱花了车没修好。安慰好客户后,我们继续诊断, 结果故障现象、故障码和测量结果与上次一模一样,仍然是制冷剂压力传感器搭铁线在点火开关打开时有12V的电压,燃油油位传感器没有搭铁,后车窗无一键升降功能,但上次已更换了新的接线盒电子装置(JBE),拆下接线盒电子装置(JBE)打开,如图6所示。

图6 JBE接线盒电子装置
观察其内部,发现有明显的烧蚀痕迹,电路板已热熔化且金属线暴露,其下电阻也有烧蚀痕迹,把上周换下来的JBE拆开观察,发现故障部位(烧蚀部位)一模一样。拿来一个正常的JBE拆开做比较分析(如图7所示):

图7 JBE电路板
1.好的JBE贴片保险电阻 a 与b两端导通,坏的JBE贴片保险电阻 a 与b两端不导通,说明贴片保险电阻中间已熔化烧断。该保险电阻为不可修复型,超过额定电流就会烧坏。
2.无论好的坏的JBE保险电阻a端与插头X14271的7号、8号 、9号、 25号、26号、27号端子均相同通。对照电路图测试,发现接线盒电子装置(JBE)的搭铁线为插头X14270的23号、X1472的26号脚,而保险电阻的b端子与上述23号、26号脚均相通,如图8、图9所示。JBE端子说明如表所示。

图8 插脚示意图

表 接线盒电子控制装置(JBE)部分端子的功能

图9 JBE供电电路
至此可得出如下结论:
1.制冷剂压力传感器,燃油箱左侧油位传感器,燃油箱右侧油位传感器以及驾驶员侧后部车窗升降电机的霍尔传感器,前乘客侧后部车窗升降电机的霍尔传感器,以上传感器的搭铁线在JBE内部交汇于一点,并通过一个0Ω的贴片保险电阻搭铁。
2.由于贴片保险电阻熔化烧断,致使上述5个传感器的搭铁线(如图10所示)出现断路,传感器不能正常工作,也无法给相应的控制模块提供正确的信号,因此就出现了空调不制冷,燃油表显示不准确的故障。

图10 JBE控制电路
3.至于车窗防夹保护启用,没有自动升降功能是因为该车电动车窗升降电机内都有两个按一定角度错开布置的霍尔传感器,控制模块(前车窗脚部空间模块,后车窗JBE)根据霍尔传感器的信号可准确计算出3个要素:车窗升降电机的旋转方向(上升还是下降),车窗升降电机的速度(转速),车窗玻璃当前所在的位置。由于霍尔传感器电源线故障,导致其不工作,无法提供正确的信号,JBE没有参照依据,所以启用防夹保护,禁用一键升降功能。
为何制冷剂压力传感器的搭铁线上有12V 的供电呢? 对照上面原理图分析:当点火开关打开后,燃油油位传感器上就会有12V 信号电压,该传感器为滑动变阻式,燃油箱内油量的多少,决定并改变油位传感器上油浮子的位置,从而改变了油位传感器的阻值,传感器上不同的电压降,代表不同的燃油量。由于油位传感器的搭铁在保险电阻处出现断路,该传感器没有搭铁,形不成闭合回路,整个电路没有电流和电压降,处于等电位状态,所以在制冷剂压力传感器的搭铁线处测得的电压也为12V,实际上是燃油油位传感器的供电电压,至此故障原因已初见端倪,但并未真相大白。
任何事情有因就有果,是什么原因导致接线盒电子装置JBE内电路板熔化,保险电阻烧断呢?一定是电路中某处存在正负极直接短路,导致电流过大而造成的。关闭点火开关,在接线盒电子装置JBE的插头X14271处测量上述传感器的搭铁线与电源线之间既不导通也不存在电阻。由此可见,短路故障并非一直存在,而是间接出现或是特定条件下出现。5个传感器分布于车身不同部位(发动机舱,两后车门内,后座椅下部燃油箱内),其搭铁线分散布置,可谓点多面广,到底该从哪下手找呢?正好客户来看车,客户又补充说,最近燃油泵保险丝烧断几次,车还抛锚在半路上,让给仔细查一查。频繁烧燃油泵保险丝,说明燃油泵的供电电路有过电流现象,极有可能燃油泵的供电电路与搭铁直接短路, 而上述5个传感器出现过搭铁与正极短路,二者是否关联呢?如果关联,离燃油泵供电线最近的搭铁线便是右侧燃油油位传感器的线束,拔下燃油泵插头,并以此为分界点逐段排除。燃油泵插头线束侧测量燃油泵正极供电线与油位传感器的搭铁线并不存在短路,怀疑搭铁点虚接,几次拉动线束,也未出现短路故障。由于在燃油箱内燃油泵线束是暴露的,所以想到先排除燃油泵线束处是否存在短路。
拆下燃油泵检查,发现右侧油位传感器的搭铁线(蓝色线)有破损处,模拟燃油泵装于燃油箱中的状态,发现该破损处正好与燃油泵供电线正极柱搭接短路,如图11所示。

图11 燃油泵装于燃油箱后所处的状态
至此终于找到故障的真正所在。原来发动机工作过程中,燃油泵由EKPS 模块适时供电工作(如图12所示)。

图12 燃油泵和JBE电路
该车燃油泵油位传感器的搭铁线与燃油泵供电的正极接柱虽搭接但却是虚接,当车辆驶过颠簸路面时,上述搭接处由虚接变为充分接触而短路,电流路径如图13所示。

图13 短路电路
燃油泵电流流经保险电阻搭铁,由于保险电阻的阻值接近于0,此时相当于正负极直接短路,于是电路中电流增大,20A 的燃油泵保险丝熔断,由于多次出现烧保险,救援维修人员给换用了一个30A 的大保险丝,当上述搭铁再现时,该路中电流增大,电流虽没有达到熔断保险丝的上限值,但已超过了接线盒电子装置JBE上保险电阻的容量,保险电阻熔断,至此燃油泵可以正常工作,但5个传感器由于没有搭铁线不能正常工作,所以出现了上述3个故障。第一次维修时更换了JBE,当时看似一切恢复正常,但当车辆驶过颠簸路面时,燃油泵供电线与油位传感器的搭铁线充分接触再次短路,接着就把新换的JBE也烧坏了,所以故障重复出现,也就是第一次只是更换了出现故障的元件,治标不治本,没有从根源上排除故障。
最后更换了改进的新燃油泵及接线盒电子装置(JBE),故障彻底排除。