“双向可控硅”:是在普通可控硅的基础上发展而成的,它不仅能代替两只反极性并联的可控硅,而且仅需一个触发电路,是比较理想的交流开关器件。其英文名称TRIAC即三端双向交流开关之意。
一种以硅单晶为基本材料的P1N1P2N2四层三端器件,创制于1957年,由于它特性类似于真空闸流管,所以国际上通称为硅晶体闸流管,简称可控硅T。又由于可控硅最初应用于可控整流方面所以又称为硅可控整流元件,简称为可控硅SCR。

在性能上,可控硅不仅具有单向导电性,而且还具有比硅整流元件(俗称“死硅”)更为可贵的可控性。它只有导通和关断两种状态。
可控硅能以毫安级电流控制大功率的机电设备,如果超过此频率,因元件开关损耗显著增加,允许通过的平均电流相降低,此时,标称电流应降级使用。
可控硅的优点很多,例如:以小功率控制大功率,功率放大倍数高达几十万倍;反应极快,在微秒级内开通、关断;无触点运行,无火花、无噪音;效率高,成本低等等。
可控硅的弱点:静态及动态的过载能力较差;容易受干扰而误导通。
产品命名
双向可控硅为什么称为“TRIAC”?三端:TRIode(取前三个字母),交流半导体开关:ACsemiconductorswitch(取前两个字母),以上两组名词组合成“TRIAC”,中文译意“三端双向可控硅开关”。由此可见“TRIAC”是双向可控硅的统称。
双 向:Bi-directional(取第一个字母)
控 制:Controlled(取第一个字母)
整流器:Rectifier(取第一个字母)

再由这三组英文名词的首个字母组合而成:“BCR”中文译意:双向可控硅。以“BCR”来命名双向可控硅的典型厂家如日本三菱,如:BCR1AM-12、BCR8KM、BCR08AM等等。
双 向:Bi-directional(取第一个字母)
三 端:Triode(取第一个字母)
由以上两组单词组合成“BT”,也是对双向可控硅产品的型号命名,典型的生产商如:意法ST公司、荷兰飞利浦-Philips公司,均以此来命名双向可控硅。
代表型号如:PHILIPS的BT131-600D、BT134-600E、BT136-600E、BT138-600E、BT139-600E、等等。这些都是四象限/非绝缘型/双向可控硅;
Philips公司的产品型号前缀为“BTA”字头的,通常是指三象限的双向可控硅。
而意法ST公司,则以“BT”字母为前缀来命名元件的型号并且在“BT”后加“A”或“B”来表示绝缘与非绝缘组合成:“BTA”、“BTB”系列的双向可控硅型号,如:
三象限/绝缘型/双向可控硅:BTA06-600C、BTA12-600B、BTA16-600B、BTA41-600B等等;
四象限/非绝缘/双向可控硅:BTB06-600C、BTB12-600B、BTB16-600B、BTB41-600B等等;
ST公司所有产品型号的后缀字母(型号最后一个字母)带“W”的,均为“三象限双向可控硅”。如“BW”、“CW”、“SW”、“TW”;代表型号如:BTB12-600BW、BTA26-700CW、BTA08-600SW等。
至于型号后缀字母的触发电流,各个厂家的代表含义如下:PHILIPS公司:D=5mA,E=10mA,C=15mA,F=25mA,G=50mA,R=200uA或5mA,
型号没有后缀字母之触发电流,通常为25-35mA;
PHILIPS公司的触发电流代表字母没有统一的定义,以产品的封装不同而不同。
意法ST公司:TW=5mA,SW=10mA,CW=35mA,BW=50mA,C=25mA,B=50mA,H=15mA,T=15mA,注意:以上触发电流均有一个上下起始误差范围,产品PDF文件中均有详细说明,一般分为最小值/典型值/最大值,而非“=”一个参数值。
特点及应用
双向可控硅可被认为是一对反并联连接的普通可控硅的集成,工作原理与普通单向可控硅相同。双向可控硅有两个主电极T1和T2, 一个门极G, 门极使器件在主电极的正反两个方向均可触发导通,所以双向可控硅在第1和第3象限有对称的伏安特性。双向可控硅门极加正、负触发脉冲都能使管子触发导通,因此有四种触发方式。双向可控硅应用为正常使用双向可控硅,需定量掌握其主要参数,对双向可控硅进行适当选用并采取相应措施以达到各参数的要求。
·耐压级别的选择: 通常把VDRM(断态重复峰值电压)和 VR R M(反向重复峰值电压)中较小的值标作该器件的额定电压。 选用时,额定电压应为正常工作峰值电压的2~3倍,作为允许的操作过电压裕量。
·电流的确定: 由于双向可控硅通常用在交流电路中,因此不用平均值而用有效值来表示它的额定电流值。由于可控硅的过载能力比一般电磁器件小,因而一般家电中选用可控硅的电流值为实际工作电流值的2~3倍。 同时, 可控硅承受断态重复峰值电压VD R M 和反向重复峰值电压 V R R M 时的峰值电流应小于器件规定的IDRM 和 IRRM。
·通态(峰值)电压 VT M 的选择: 它是可控硅通以规定倍数额定电流时的瞬态峰值压降。为减少可控硅的热损耗,应尽可能选择VT M 小的可控硅。
·维持电流: IH 是维持可控硅保持通态所必需的最小主电流,它与结温有关,结温越高, 则 IH 越小。
·电压上升率的*制抵**: dv/dt指的是在关断状态下电压的上升斜率,这是防止误触发的一个关键参数。此值超限将可能导致可控硅出现误导通的现象。由于可控硅的制造工艺决定了 A2 与 G 之间会存在寄生电容。
安装
对负载小,或电流持续时间短(小于1 秒钟)的双向可控硅, 可在自由空间工作。 但大部分情况下,需要安装在散热器或散热的支架上,为了减小热阻,可控硅与散热器间要涂上导热硅脂。
双向可控硅固定到散热器的主要方法有三种,夹子压接、螺栓固定和铆接。前二种方法的安装工具很容易取得。 很多场合下,铆接不是一种推荐的方法。
夹子压接:是推荐的方法,热阻最小。夹子对器件的塑封施加压力。这同样适用于非绝缘封装(sot82 和sot78 ) 和绝缘封装( sot186 f-pack 和更新的sot186a x-pack)。注意,sot78 就是to220ab。
螺栓固定:sot78 组件带有m3 成套安装零件,包括矩形垫圈,垫圈放在螺栓头和接头片之间。应该不对器件的塑料体施加任何力量。
安装过程中,螺丝刀决不能对器件塑料体施加任何力量;和接头片接触的散热器表面应处理,保证平坦,10mm上允许偏差0.02mm;安装力矩(带垫圈)应在0.55nm 和0.8nm 之间;应避免使用自攻丝螺钉,因为挤压可能导致安装孔周围的隆起,影响器件和散热器之间的热接触。安装力矩无法控制,也是这种安装方法的缺点;器件应首先机械固定,然后焊接引线。这可减少引线的不适当应力。
构造原理
尽管从形式上可将双向可控硅看成两只普通可控硅的组合,但实际上它是由7只晶体管和多只电阻构成的功率集成器件。小功率双向可控硅一般采用塑料封装,有的还带散热板。典型产品有BCMlAM(1A/600V)、BCM3AM(3A/600V)、2N6075(4A/600V),MAC218-10(8A/800V)等。大功率双向可控硅大多采用RD91型封装。

双向可控硅属于NPNPN五层器件,三个电极分别是T1、T2、G。因该器件可以双向导通,故除门极G以外的两个电极统称为主端子,用T1、T2表示,不再划分成阳极或阴极。其特点是,当G极和T2极相对于T1,的电压均为正时,T2是阳极,T1是阴极。反之,当G极和T2极相对于T1的电压均为负时,T1变成阳极,T2为阴极。双向可控硅由于正、反向特性曲线具有对称性,所以它可在任何一个方向导通。
产品特性
双向可控硅第一阳极A1与第二阳极A2间,无论所加电压极性是正向还是反向,只要控制极G和第一阳极A1间加有正负极性不同的触发电压,就可触发导通呈低阻状态。此时A1、A2间压降也约1V。双向可控硅一旦导通,即使失去触发电压,也能继续保持导通状态。只有当第一阳极A1、第二阳极A2电流减小,小于维持电流或A1、A2间当电压极性改变且没有触发电压时,双向可控硅才截断,此时只有重新加触发电压方可导通。
触发电路
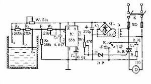
将两只单向可控硅SCRl、SCR2反向并联。再将控制板与本触发电路连接,就组成了一个简单实用的大功率无级调速电路。这个电路的独特之处在于可控硅控制极不需外加电源,只要将负载与本电路串联后接通电源,两个控制极与各自的阴极之间便有5V~8V脉动直流电压产生,调节电位器R2即可改变两只可控硅的导通角,增大R2的阻值到一定程度,便可使两个主可控硅阻断,因此R2还可起开关的作用。该电路的另一个特点是两只主可控硅交替导通,一个的正向压降就是另一个的反向压降,因此不存在反向击穿问题。但当外加电压瞬时超过阻断电压时,SCR1、SCR2会误导通,导通程度由电位器R2决定。SCR3与周围元件构成普通移相触发电路,其原理这里从略。
SCR1、SCR2选用封装好的可控硅模块(110A/1000V),SCR3选用BTl36,即600V的双向可控硅。本电路如用于感性负载,应增加R4,C3阻容吸收电路及压敏电阻RV作过压保护,防止负载断开和接通瞬间产生很高的感应电压损坏可控硅。
工作原理
1.可控硅是P1N1P2N2四层三端结构元件,共有三个PN结,分析原理时,可以把它看作由一个PNP管和一个NPN管所组成。
当阳极A加上正向电压时,BG1和BG2管均处于放大状态。此时,如果从控制极G输入一个正向触发信号,BG2便有基流ib2流过,经BG2放大,其集电极电流ic2=β2ib2。因为BG2的集电极直接与BG1的基极相连,所以ib1=ic。
2.此时,电流ic2再经BG1放大,于是BG1的集电极电流ic1=β1ib1=β1β2ib2。这个电流又流回到BG2的基极,表成正反馈,使ib2不断增大,如此正向馈循环的结果,两个管子的电流剧增,可控硅使饱和导通。
由于BG1和BG2所构成的正反馈作用,所以一旦可控硅导通后,即使控制极G的电流消失了,可控硅仍然能够维持导通状态,由于触发信号只起触发作用,没有关断功能,所以这种可控硅是不可关断的。
由于可控硅只有导通和关断两种工作状态,所以它具有开关特性,这种特性需要一定的条件才能转化,条件如下:
A、从关断到导通1、阳极电位高于是阴极电位,2、控制极有足够的正向电压和电流,两者缺一不可。
B、维持导通1、阳极电位高于阴极电位,2、阳极电流大于维持电流,两者缺一不可。
C、从导通到关断1、阳极电位低于阴极电位,2、阳极电流小于维持电流,任一条件即可。
触发导通
在控制极G上加入正向电压时因J3正偏,P2区的空穴时入N2区,N2区的电子进入P2区,形成触发电流IGT。在可控硅的内部正反馈作用的基础上,加上IGT的作用,使可控硅提前导通,导致伏安特性OA段左移,IGT越大,特性左移越快。

伏安特性
反向特性
当控制极开路,阳极加上反向电压时,J2结正偏,但J1、J3结反偏。此时只能流过很小的反向饱和电流,当电压进一步提高到J1结的雪崩击穿电压后,接差J3结也击穿,电流迅速增加,特性开始弯曲,如特性OR段所示,弯曲处的电压URO叫“反向转折电压”。此时,可控硅会发生永久性反向。
正向特性
当控制极开路,阳极上加上正向电压时,J1、J3结正偏,但J2结反偏,这与普通PN结的反向特性相似,也只能流过很小电流,这叫正向阻断状态,当电压增加,特性发生了弯曲,如特性OA段所示,弯曲处的是UBO叫:正向转折电压,由于电压升高到J2结的雪崩击穿电压后,J2结发生雪崩倍增效应,在结区产生大量的电子和空穴,电子时入N1区,空穴时入P2区。进入N1区的电子与由P1区通过J1结注入N1区的空穴复合,同样,进入P2区的空穴与由N2区通过J3结注入P2区的电子复合,雪崩击穿,进入N1区的电子与进入P2区的空穴各自不能全部复合掉,这样,在N1区就有电子积累,在P2区就有空穴积累,结果使P2区的电位升高,N1区的电位下降,J2结变成正偏,只要电流稍增加,电压便迅速下降,出现所谓负阻特性。
这时J1、J2、J3三个结均处于正偏,可控硅便进入正向导电状态---通态,此时,它的特性与普通的PN结正向特性相似。

检测方法
DIP4管脚型ZC三端双向可控硅光电耦合器
利用万用表RXl档判定双向可控硅电极的方法,同时还检查触发能力。
判定T2极
G极与T1极靠近,距T2极较远。因此,G—T1之间的正、反向电阻都很小。在肦Xl档测任意两脚之间的电阻时,只有在G-T1之间呈现低阻,正、反向电阻仅几十欧,而T2-G、T2-T1之间的正、反向电阻均为无穷大。这表明,如果测出某脚和其他两脚都不通,就肯定是T2极。另外,采用TO—220封装的双向可控硅,T2极通常与小散热板连通,据此亦可确定T2极。
区分G极和T1极
(1)找出T2极之后,首先假定剩下两脚中某一脚为Tl极,另一脚为G极。
(2)把黑表笔接T1极,红表笔接T2极,电阻为无穷大。接着用红表笔尖把T2与G短路,给G极加上负触发信号,电阻值应为十欧左右,证明管子已经导通,导通方向为T1一T2。再将红表笔尖与G极脱开(但仍接T2),若电阻值保持不变,证明管子在触发之后能维持导通状态。
注意事项
交流调压多采用双向可控硅,它具有体积小、重量轻、效率高和使用方便等优点,对提高生产效率和降低成本等都有显著效果,但它也具有过载和抗干扰能力差,且在控制大电感负载时会干扰电网和自干扰等缺点,下面谈谈可控硅在其使用中如何避免上述问题。
1:灵敏度
双向可控硅是一个三端元件,但我们不再称其两极为阴阳极,而是称作T1和T2极,G为控制极,其控制极上所加电压无论为正向触发脉冲或负向触发脉冲均可使控制极导通,四种条件下双向可控硅均可被触发导通,但是触发灵敏度互不相同,即保证双向可控硅能进入导通状态的最小门极电流IGT是有区别的,其中(a)触发灵敏度最高,(b)触发灵敏度最低,为了保证触发同时又要尽量限制门极电流,应选择(c)或(d)的触发方式。
2:可控硅过载的保护
可控硅元件优点很多,但是它过载能力差,短时间的过流,过压都会造成元件损坏,因此为保证元件正常工作,需有条件(1)外加电压下允许超过正向转折电压,否则控制极将不起作用;(2)可控硅的通态平均电流从安全角度考虑一般按最大电流的1.5~2倍来取;(3)为保证控制极可靠触发,加到控制极的触发电流一般取大于其额值,除此以外,还必须采取保护措施,一般对过流的保护措施是在电路中串入快速熔断器,其额定电流取可控硅电流平均值的1.5倍左右,其接入的位置可在交流侧或直流侧,当在交流侧时额定电流取大些,一般多采用前者,过电压保护常发生在存在电感的电路上,或交流侧出现干扰的浪涌电压或交流侧的暂态过程产生的过压。由于,过电压的尖峰高,作用时间短,常采用电阻和电容吸收电路加以抑制。
3:控制大电感负载时的干扰电网和自干扰的避免
可控硅元件控制大电感负载时会有干扰电网和自干扰的现象,其原因是当可控硅元件控制一个连接电感性负载的电路断开或闭合时,其线圈中的电流通路被切断,其变化率极大,因此在电感上产生一个高电压,这个电压通过电源的内阻加在开关触点的两端,然后感应电压一次次放电直到感应电压低于放电所必须的电压为止,在这一过程中将产生极大的脉冲束。这些脉冲束叠加在供电电压上,并且把干扰传给供电线或以辐射形式传向周围空间,这种脉冲具有很高的幅度,很宽的频率,因而具有感性负载的开关点是一个很强的噪声源。
3.1:为防止或减小噪声,对于移相控制式交流调压一般的处理方法有电感电容滤波电路,阻容阻尼电路和双向二极管阻尼电路及其它电路。
3.2:电感电容滤波电路,由电感电容构成谐振回路,其低通截止频率为f=1/2π
Ic,一般取数十千赫低频率。

3.3:双向二极管阻尼电路。由于二极管是反向串联的,所以它对输入信号极性不敏感。当负载被电源激励时,抑制电路对负载无影响。当电感负载线圈中电流被切断时,则在抑制电路中有瞬态电流流过,因此就避免了感应电压通过开关接点放电,也就减小了噪声,但是要求二极管的反向电压应比可能出现的任何瞬态电压高。另一个是额定电流值要符合电路要求。
3.4:电阻电容阻尼电路,利用电容电压不能突变的特性吸收可控硅换向时产生的尖峰状过电压,把它限制在允许范围内。串接电阻是在可控硅阻断时防止电容和电感振荡,起阻尼作用,另外阻容电路还具有加速可控硅导通的作用。
3.5:另外一种防止或减小噪声的方法是利用通断比控制交流调压方式,其原理是采用过零触发电路,在电源电压过零时就控制双向可控硅导通和截止,即控制角为零,这样在负载上得到一个完整的正弦波,但其缺点是适用于时间常数比通断周期大的系统,如恒温器。
保护措施
晶闸管元件的主要弱点是承受过电流和过电压的能力很差,即使短时间的过流和过电压,也可能导致晶闸管的损坏,所以必须对它采用适当的保护措施。
1. 过电流保护
晶闸管出现过电流的主要原因是过载、短路和误触发。过电流保护有以下几种:
快速容断器 快速容断器中的溶丝是银质的,只要选用适当,在同样的过电流倍数下,它可以在晶闸管损坏前先溶断,从而保护了晶闸管。
过电流继电器 当电流超过过电流继电器的整定值时,过电流继电器就会动作,切断保护电路。但由于继电器动作到切断电路需要一定时间,所以只能用作晶闸管的过载保护。
过载截止保护 利用过电流的信号将晶闸管的触发信号后移,或使晶闸管得导通角减小,或干脆停止触发保护晶闸管。
2. 过电压保护
过电压可能导致晶闸管的击穿,其主要原因是由于电路中电感元件的通断、熔断器熔断或晶闸管在导通与截止间的转换。对过压保护可采用两种措施
阻容保护 阻容保护是电阻和电容串联后,接在晶闸管电路中的一种过电压保护方式,其实质是利用电容器两端电压不能突变和电容器的电场储能以及电阻使耗能元件的特性,把过电压的能量变成电场能量储存在电场中,并利用电阻把这部分能量消耗掉。
该内容是云汉芯城小编通过网络搜集资料整理而成,如果你还想了解更多关于电子元器件的相关知识及电子元器件行业实时市场信息,敬请关注微信公众号 【云汉芯城】。
(免责声明:素材来自网络,由云汉芯城小编搜集网络资料编辑整理,如有问题请联系处理!)