温度控制电路在工农业生产和日常生活中用途非常广泛,例如工业上的特种炼钢炉,农业上建造的蔬菜大棚,家用冰箱,空调以及智能洗衣机,电水壶等。掌握电路的原理,可以很好地指导我们应用,解决在应用中遇到的一些问题 ,下面选几个典型的应用电路进行分析
一,数字显示调节仪控温电路

控温电路原理图
1,电路的组成
本电路比较简单,由断路器QF,交流接触器KM,数显温控器组成。
2,电路的工作原理
断路器QF合闸,当温控器的热电偶测得周围的温度小于设定值时,温控器的总和低接通,交流接触器线圈KM回路闭合,交流接触器线圈得电,交流接触器主触点闭合,发热体被接通开始加热,当环境温度达到设定值时,温控器的总和低断开,交流接触器线圈回路断开,线圈失电,主触点断开,发热体停止加热,温度围绕设定值上下波动,控制在一个合理的区间内。
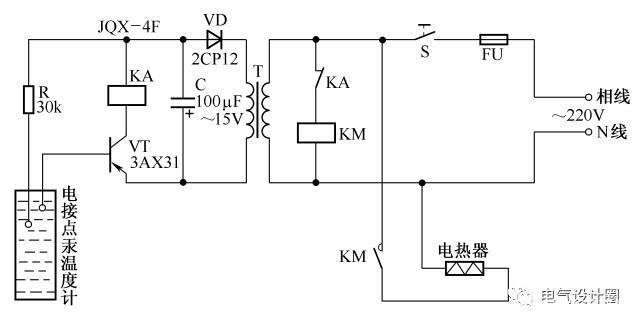
二,简单的温控电路图

电接点汞温度计控制电路
加热器 由交流接触器的主触点控制,交流接触器的主触点又由交流
接触器的线圈控制,而交流接触器的线圈又由中间继电器的常闭触点控制,中间继电器的常闭触点,又由中间继电器的线圈控制,中间继电器的线圈,串联在三极管Vt的集电极,当三极管导通时,中间继电器线圈得电, 而三极管的导通是由电接点汞温度计控制的,当温度计所测量的温度达到设定值时,三极管的基极回路被接通,中间继电器的线圈得电,中间继电器的常闭触点KA断开,交流接触器的线圈失电,交流接触器的主触点断开,电热器断电停止加热,当温度计没有达到设定值时,三极管的基极断开,三极管截止,中间继电器的线圈失电,中间继电器的常闭触点复位,交流接触器的线圈得电,主触点闭合,电热器通电加热。电路当中的T是降压变压器,把220伏的交流电变成15v的交流电,VD,是整流二极管,C,滤波电容,通过降压,整流,滤波所产生的直流电为三极管提供工作点电压。
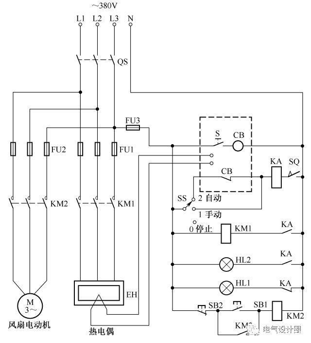
三, 自动气体循环炉控温电路

自动气体循环炉原理图
自动气体循环循环炉,是工厂热处理车间
用于低温回火气体渗碳的并式三相电阻炉,其工作过程如下:
分为手动和自动两种工作方式。
自动方式
闭合总隔离开关QS,选择开关有“手动”,“自动”,“停止”三个位置,把选择开关旋转到自动位置,电源与端点2接通,同时打开温控器的电源开关S,盖上三相电阻炉炉盖,行程开关SQ闭合(行程开关与炉盖是联动的),当热电偶所测炉温没有达到设定值时,温控器常闭触点CB是闭合的,线圈KA回路接通,KA常开触点闭合,常闭触点断开,
KM1线圈得电,电阻炉加热,加热指示灯HL2点亮,停止加热指示灯HL1熄灭;当炉内温度达到设定值时,温控器常闭触点cB断开,KA线圈失电,KA的常开触点和常闭触点复位,交流接触器主触点断开,电阻炉停止加热,加热指示灯熄灭,停止加热指示灯点亮,实现自动控温。
手动控制:
选择开关接通端子1,电源不经过温控仪的常闭触点直接接通KA线圈,交流接触器主触点闭合,电阻炉加热,要停止加热,选择开关旋到停止位置。
风扇的工作方式:
风扇电动机用交流接触器自锁电路进行控制,当需要风机工作时,按下启动按钮SB1,不需要时,只需按下停止按钮,风机的启动和停止,都是采用手动的方式完成的。
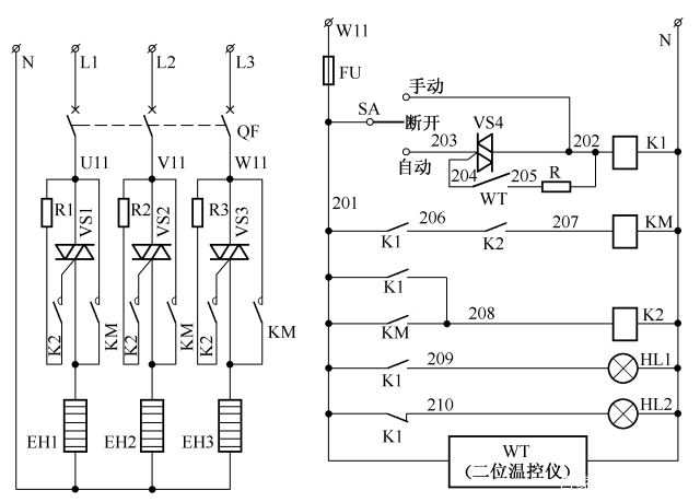
四,双功能三相电阻加热炉控温电路

双功能加热炉温控原理图
本电路由控制电路和主电路组成。主电路由三相断路器QF,交流接触器的主触点KM,三个双向晶闸管(VS1,vs2,vS3)及触发电路,加热器(EH1一EH3)等组成。
控制电路主要包括选择开关SA,双向晶闸管vS4及触发电路,中间继电器K1,触发继电器K2,交流接触器的线圈KM,温控器WT,熔断器FU。
这个电路有手动和自动两种运行方式。
自动工作方式,当选择开关旋转到自动位置(201和203接通),炉温没有达到温控器的设定值时,温控器的热开触点(204和205)闭合, 晶闸管vS4导通,中间继电器k1线圈得电,各常开触点闭合,常闭触点断开,当201和206接通时,为交流接触器km线圈得电做准备,当201和208接通时,继电器K2线圈得电,常开触点K2闭合(206和207接通),交流接触器km线圈得电,主触点闭合,加热器导电加热,继电器K2常开触点闭合,晶闸管vS1一vS3控制极接通处于备用状态,当交流接触器某一个主触点不导通时,与之并联的晶闸管就会导通,带替交流接触器的主触点继续为电热管供电,提高电热器供电的可靠性,同时由于K1各触点动作,201和209接通,加热指示灯HL1点亮,201和210断开,指示灯HL2熄灭,说明电阻加热炉正在加热。
当电阻加热炉温度达到上限上图时,热开触点WT断开,双向晶闸管VS4截止,中间继电器线圈K1失电,接触器主触点KM断开,双向晶闸管VS1,VS2,VS3截止,电阻加热器失电停止加热,指示灯HL1熄灭,HL2点亮。温度控制在上限和下限之间。
手动运行控制:
选择开关SA旋转到手动位置,201和202接通,中间继电器线圈K1得电,K1各触点动作,K2线圈得电,K2常开触点闭合,接触器主触点闭合,电阻加热炉工作,同时主电路中晶闸管控制电路接通,处于备用状态,指示灯HL1点亮,HL2熄灭;手动工作方式温控器无法控制温度高低,当不需要电阻加热炉时,选择开关旋转到通停止位置,电阻加热炉不在加热。