摘要
宁波天安(集团)股份有限公司的研究人员徐德勤、盛晓艳,在2018年第11期《电气技术》杂志上撰文指出,柜内铜母线载流量的确定和母线规格的选择是低压开关柜设计和制造的重要环节,是设备安全运行的重要保障。但目前国内没有明确的标准,影响载流量的因素又比较多,铜母线规格选择相对困难且没有说服力。
本文通过对导体温度和柜内环境温度的定性、定量分析,确定导体温度,并预设导体环境温度,修正通用载流量数据;然后按照标准推荐方法进行验算;从而获得符合低压开关柜使用环境的铜母线载流量数据,为低压开关柜铜母线载流量的计算和母线规格选型提供了一种新的思路。
铜排载流量是低压开关柜产品设计、制造过程中选择母线规格的重量依据。低压开关柜执行的产品标准GB/T 7251.12—2013《低压成套开关设备和控制设备 第2部分:成套电力开关和控制设备》,及其基础标准GB/T 7251.1—2013《低压成套开关设备和控制设备 第1部分:总则》中都没有明确的铜排载流量数据。行业内的其他相关国家标准中,对此类数据亦鲜有描述。
由于没有明确、统一的数据支持,所以在产品的设计和制造过程中,常常因母线选型不正确而导致事故发生[1],或因产品设计方、制造方、用户方在载流量问题上出现分歧而产生合同争端,给行业的发展带来不利影响。
目前国内95%以上的低压开关柜使用矩形铜排作为载流导体,少量产品使用异型铜排或铝排。因此,本文以矩形铜排垂直放置作为基础条件,对母线载流量进行研究。
1 载流量的本质
导体载流量是指导体通过持续电流的能力。载流量的本质是,导体通过电流时,其内部产生的热量一部分使导体本身的温度升高,另一部分散失到周围介质中,它们之间呈动态分配,直至导体发热达到稳态[2]为止。
此时通过的电流就是该环境条件下,该导体温升下的导体载流量。导体载流量不考虑热惯性时间[3]的影响。
影响母线载流量的因素很多,包括母线截面积和截面的形状、母线布置方式、母线根数、母线温度以及开关柜内温度等,甚至与天气有关[4]。其中最重要的因素有两个:①环境温度,②导体允许温升,即导体温度[5]。对于一些影响较小的因素,在工程应用中可以忽略。
确定铜排在低压开关柜内的载流量,首先要获得铜排的通用载流量数据;其次要确定合适的导体温度和导体环境温度;最后对通用载流量进行修正,得到本文需要的低压开关柜内母线载流量数据,从而确定各额定电流的对应铜母线规格。
2 通用载流量数据的确定
DIN 43671—1975《铜汇流排;持续电流的计算》,是铜排载流量方面较权威的国际标准。标准中的表1给出了海拨1000m以下,交流至60Hz,环境温度35℃,导体温度65℃条件下;垂直放置,每相单根或每相多根其间距为铜排厚度的矩形裸铜排的载流量[6];其规格接近于国内牌号为TMY的矩形母排。
忽略较小规格铜排的部分数据,得到本文的常用铜排载流量数据,见表1。

表1 常用铜排载流量表
对于不同环境温度、不同导体温度下的铜排载流量,可根据DIN 43671—1975图2的修正系数进行计算获得。
3 铜排导体温度确定
GB/T 7251.1—2013的表6规定了低压开关柜内不同部件的温升限值。开关柜内用于连接外部绝缘导线的端子温升应不超过70K。柜内不作为外接端子的铜排在任何情况下温升应不超过105K;在此条件下,可由制造商自行确定温升限值[7-8]。
行业内通常会在产品型式试验时,按柜内所有母线温升不超过70K控制。上述温升限值要求的正常使用条件(GB/T 7251.1—2013 7.1.1条)规定,开关柜周围空气温度在24h的平均温度不超过35℃[7-8]。因此将铜排在柜内的最终工作温度确定为105℃,在技术标准上是允许的。
从产品性能方面来说,温升越小越有利。较小的柜内温升,可减小电能传输的损耗,提高传输效率,也可延长产品使用寿命。
考虑到铜排长期发热时的软化温度约为100℃~200℃[9],铜排最终工作温度应低于软化温度。综上所述,将铜排最终工作温度即导体温度确定为90℃是合理的。
4 低压开关柜内部空气温度确定
要确定低压开关柜铜母线的载流量,还需要确定母线的环境温度。GB/T 7251.1—2013 7.1.1条规定的环境条件是对低压开关柜而言的,不是对柜内母线而言的,在设计阶段选择铜排规格时,不能直接按环境温度为35℃时的铜排载流量取值。
对于母线而言,开关柜内部的空气温度才是母线的环境温度。柜内空气温度跟设备安装地海拔高度、外部环境温度、开关柜的结构、柜内各元件的发热量、导体的发热量、各元件和导体的安装位置等众多因素有关,精确计算内部环境温度难度较大。
本文在现有条件下,参考低压开关柜型式试验有关柜内空气温度的记录,先设定一个柜内空气温度预期值,然后根据导体温度确定铜排载流量,再根据载流量选定母线规格,最后通过理论计算的方法对预期空气温度值进行验证,是一种可行的方法。
低压开关柜按防护等级分类,可分为通风型和非通风型两类;防护等级IP42及以下的产品为通风型;防护等级IP54及以上的产品为非通风型。通风型产品可以通过外壳的散热装置实现开关柜内外的空气对流,完成与外界的热量交换;比不通风型产品更容易散热,因此外壳内空气温度相对较低。非通风型产品使用量较小,本文不作论述。
查阅我公司13份低压开关柜第三方型式试验报告的记录,以进线柜的主母线周围空气温升数据作为柜内空气温升数据,以进线柜分支母线与主母线搭接处的温升近似视为主母线温升数据,统计相关温升试验数据见表2。
由表2数据可知,主母线周围空气温升平均值为14.1K,主母线铜排温升平均值为35.5K,其最高温升为47.1K;当环境温度为35℃时,对应最高温升的母线最终温度为82.1℃,低于前文确定的铜排导体温度90℃。根据试验数据,本文暂将通风型低压开关柜内空气温升预设为不高于20K。

表2 型式试验报告部分温升数据统计
5 低压开关柜铜母线规格的初定
按前文确定的铜排导体温度为90℃;柜内空气温度为预期环境温度35℃,加上通风型低压开关柜的预期温升20K,即55℃。查DIN 43671—1975的图2,获得修正系数K2=1.057[6]。用K2修正表1中的数据,得到新的载流量数据表,见表3。
按照表3的数据,初步选定常用电流对应母线规格,见表4。表中还推荐了相应进线断路器规格和适用变压器的容量。
6 低压开关柜内部空气温度的计算验证
为进一步确认上述初定母线规格的适用性,可以对各电流规格的常规配置低压柜方案,通过理论计算得到柜内空气温度,当环境温度为35℃时,若柜内空气温升不大于20K,即柜内温度不高于55℃,则可验证该母线规格是合适的;若高于55℃,则说明初定的母线规格不适用,需要加大母线截面,重新验证其适用性。

表3 常用铜排规格修正载流量表

表4 初定低压开关柜常用电流铜母线规格表
下面依据GB/T 24276—2017《通过计算进行低压成套开关设备和控制设备温升验证的一种方法》,试算柜内空气温度。
GB/T 24276—2017等同于IEC/TR 60890—2014《低压开关设备和控制设备通过计算温升验证的方法》标准。该标准在引言中指出,相关的因数和系数来自大量成套设备的测量数据,且由计算方法得出的结论已与试验结果进行过比较和验证[10];因此通过该标准的计算方法所得到的开关柜内部空气温升数据,具有广泛的指导意义。
GB/T 24276—2017规定了计算方法的适用条件,主要内容有:内部元件的功耗数据可以获得;总供电电流不大于3150A;如外壳带通风口,排气口的截面积至少是进气口截面积的1.1倍;柜内水平隔板不超过3层等。这些条件是可以通过对产品设计的控制加以保证的。
开关柜按功能类型可以分为:进线和联络柜、馈线柜、无功补偿柜、变频和软起动柜等。进线柜内安装进线断路器等元件,回路电流是进线电流,元件损耗和导体损耗最大。馈线柜的主母线电流一般小于进线电流,每个馈线回路的电流较小,元件损耗和导体损耗小于进线柜。部分无功补偿柜中配置有电抗器,变频、软起动柜内含有电力电子元件;因此发热量较大。
但这几种柜型一般都配置强制排风装置,柜内温升较低,不具有代表性。考虑到本文的研究对象是主母线的载流量,本文以进线柜为数据计算柜型。
首先需要掌握以下数据:开关柜的宽度、高度、深度;外壳的安装类型;外壳是否带通风口;内部水平隔板的数量;外壳内安装元件的功率损耗;外壳内导体的功率损耗等。
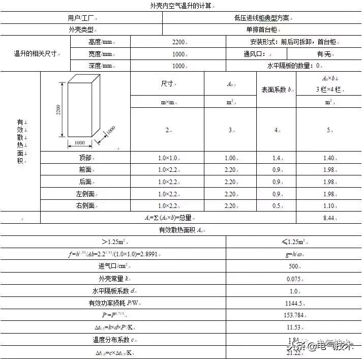
以一台外形尺寸为1000mm(宽)×1000mm (深)×2200mm(高)的常规配置的2500A进线柜为例,其内部元件和导体的损耗功率见表5。其中导体的功耗按GB/T 24276—2017附录B的铜母线功耗计算公式计算,导体周围环境温度按55℃计,导体最终温度按90℃计。计算所需的相关参数列举在表6,计算的结果见表7。

表5 典型方案功耗计算表

表6 典型方案相关参数表

表7 外壳内空气温升计算表
该柜外壳内空气温升的特性曲线如图1所示。

图1 外壳内空气温升特性曲线
用相同方法计算2500A电流以下各电流等级进线柜外壳内的空气温升结果见表8。按主母线安装位置,取开关柜高度90%位置的空气温度是合适的,因此取t0.9数据作为外壳内空气温升值。表8中t0.9都小于20K,符合前文的预设值,所选2500A及以下电流对应母排规格通过了外壳内空气温升值的验证。
因GB/T 24276—2017未给出三排、四排规格的母线功耗和电流数据,所以2500A以上电流规格暂不进行上述计算验证。
结论
本文在权威国际标准中给出的通用载流量数据基础上,通过对导体温度和柜内环境温度的定性、定量分析,获得修正后的低压开关柜内母线载流量数据。该方法是针对低压开关柜母线选型资料缺乏的现状,提出的一种新的柜内铜母线载流量计算方法,可以推广应用于低压开关柜的热设计、母线规格选型验证及3C认证的温升设计验证等工作中,具有较高的应用价值。

表8 额定电流2500A及以下进线柜温升计算结果
本文中表4所给出的低压开关柜常用电流铜母线规格,是在上述计算方法基础上提出的母线规格选型方案,其理论依据充分,说服力强,具有较高的实用价值。可以作为低压开关柜设计和制造过程中的母线选型依据;也可作为产品设计方、制造方、使用方争议处理的依据。