一、用途
QJ44 型携带式直流双臂电桥,内附晶体管检流计和能内附工作电源。适合于工矿企业、实验室或车间现场,对直流以低值电阻作准确测量。如用来测量金属导体的导电系数,接触电阻、电动机、变压器绕组的电阻值,以及其它各类直流低值电阻。
二、电桥主要性能
1、准确度等级:0.2 级。
2、使用温度范围:5℃~45℃。
3、测量范围:0.00001~11Ω,基本量限0.01~11Ω。
4、准确度:电桥在环境温度为 20℃±10℃,相对湿度小于 80%的条件下,在基本量限内,允许测量误差为:
I△I≤a%Rmax(允许误差为滑线读书刻度4小格)
а…………………………………准确度等级(0.2 级)
Rmax…………………………电桥读数的满刻度(Ω)
5、内附晶体管检流计,具有足够的灵敏度。在基本量限内,当滑线读数盘刻度变化4小格,检流计指针偏离零位不小于 1 格。
6、电桥的工作电源为 1.5V~2V(内附电源为1.5V1号手电筒电池 4 节并联),晶体管检流计工作电源为 6F22、9V(2 节并联)。
7、仪器外形尺寸:300×255×150mm。
8、仪器重量:约 4.5Kg。

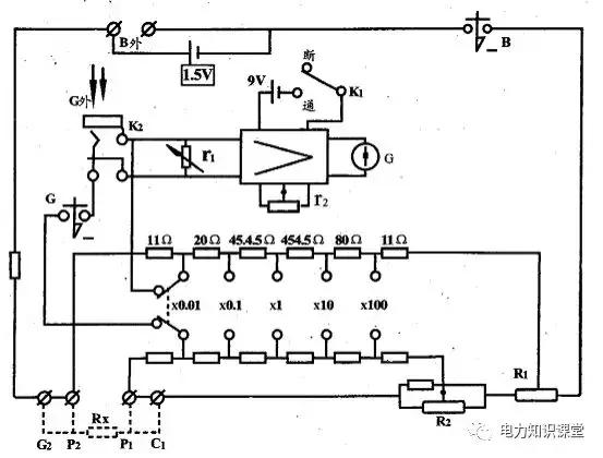
三、线路和和结构
1、QJ44 双臂电桥面板位置图

(1) 电桥外接工作电源接线柱
(2) 检流计灵敏度调节旋钮;
(3) 晶体管检流计工作电源开关
(4) 滑线读数盘;
(5) 步进读数开关
(6) 检流计按钮开关;
(7) 电桥工作电源按钮开关
(8) 被测电阻电流端接线柱
(9) 量程因素读数开关
(10) 被测电阻电位端接线柱
(11) 检流计电气调零旋钮
(12) 被测电阻电流端接线柱
(13) 检流计指示表头
2、电桥线路:

四、使用方法
1、在电池盒内,装入 1.5V1号手电筒电池 4~6 节并联使用和 2 节6F22、9V 并联使用,此时电桥就能正常工作。如用外接直流电源1.5~2V时,电池盒内的 1.5V 电池,应预先全部取出。
2、“B1”开关扳到通位置,等稳定后(约5分钟),调节检流计指针在零位。
3、灵敏度旋钮放在最低位置。
4、将被测电阻,按四端连接法,接在电桥相应的C1、P1、P2、C2、的接线柱上。如下图所示,AB之间为被测电阻。

5、估计被测电阻值大小,选择适当倍率位置,先按“G”按钮,再按“B”按钮,调节步进读数和滑线读数,使检流计指针在零位上。如发现检流计灵敏度不够,应增加其灵敏度,移动滑线盘4小格,检流计指针偏离零位约 1 格,就能满足测量要求。在改变灵敏度时,会引起检流计指针偏离零位,在测量之前,随时都可以调节检流计零位。被测电阻按下式计算:
被测电阻值=倍率读数×(步进读数+滑线读数)
被测电阻范围与倍率位置选择按下表:
倍率 被测电阻范围(Ω)
×100 1.1~11
×10 0.11~1.1
×1 0.011~0.11
×0.1 0.0011~0.011
×0.01 0.00001~0.0011
QJ44 型晶体管检流计简易修理
晶体管检流计常见故障有以下几种:不工作、灵敏度低、调零调不到零等等。如果有条件,可以用示波器、毫伏表、讯号发生器等电子仪器来检查故障。在这里我们只介绍简易的检修方法,供在修理时参考。
一、对分法
在修理时,有些同志感到无从下手,或是无目的地焊这拆那,往往故障未查出,反把好的元件弄坏。用对分法检查故障,即能避免全面检查而浪费时间,又能不至无故损坏元件。所谓对分法,即在故障范围中,选择一点进行检查,判别故障发生在此点前,还是在此点后,这样就能肯定一半,然后在剩下的故障范围内,再找一点进行检查,按此方法检查下去,就会很快地找到故障所在点。
1、例如在电源、表头和讯号输入均无故障的情况下;晶体管检流计不工作。用对分法来检查故障,在图1中,选择(5)点作为检查点,调节W,如果表头指针相应会偏转,则来自振荡器的讯号能从(6)点(BG3发射极)输入而进行放大、解调,可见振荡器,解调器的工作正常。而交流放大器是一个整体,BG2—BG5也不会有问题。显然故障一下就缩小到调制器所属范围内。
2、如果调节 W,表头指针无反应,或反应不明显,则问题在调制以外的回路中,再选(4)点,解调器输入端,用一导线,一头接触(4)点,另一头分别与(7)和(8)两点相接触,如果表头指针相应打向两边,则解调器和振荡器工作正常,故障发生在交流放大器内。
3、在剩下的振荡器和解调器中选择(9)和(10)两点,用万用表交流电压档测量以上两对地之间的交流电压,若分别约1V和 1.5V,表明振荡器工作正常。最后只需检查解调器就是了。检查解调器除了检查电路是否有假焊外,主要判别场效应管是否损坏。也可检查(7)和(8)两点对地电压,用万用表测量时,须串接一个5μF以上电容。如果两点对地电压很低,或其中一点不正常,则振荡器可能正常,而调制或解调中场效应管栅极严重漏电。如果(7)和(8)两点对地无电压,再用直流电压表测(7)和(8)对地直流电压,就可查出故障点。
二、也可以用讯号注入法检查晶体管检流计
在被修理印刷板上找到图 1 所示各对应点。
1、将一手指触及(1),另一手指触及(11),此时表头指针打向一边,说明直流正电压能从(1)输入,(1)以后所有电路均无问题,而检修(1)以前的线路是十分简单的。
2、如果直流信号输不进,则用交流输入:将一手指触及(2)或(3),另一手指先后触及(7)和(8),此时表头指针应分别打向两边。如果触及(7)和(8),表头指针向一个方向偏转,而另一方向无指示,则问题在解调器。表头指针无指示,则问题在交流放大器和解调器线路中。
三、电流电压测量法
用万用表测量晶体管检流计总电流约 0.8mA(电源电压在9V时),也可以测量交流放大器的各点工作电压和振荡器输出电压来判断。如果测量数值与典型数据偏差太大,说明线路有问题。
四、修理注意事项
1、在修理晶体管检流计时,可用以上三种方法来确定故障点。
2、在焊接 3DO2 场效应管时,烙铁应很好接地,最好断电焊接。
3、在检查元件时,应重点检查场效应管是否损坏,电容器容量误差无关紧要,而对电容器漏电要求较高,检测元件方法请参阅有关资料。
4、焊接元件时,应使用 24W 烙铁,并防止印刷板线条短路和翘起。
5、晶体管检流计原理图和装配图中所标晶体管型号仅供参考。

五、注意事项和维护保养
1、在测电感电路的直流电阻时,应先按下“B”按钮,再按下“G”按钮,断开时,应先断开“G”按钮,后断开“B”按钮。
2、测量 0.1Ω 以下阻值时,“B”按钮应间歇使用。
3、在测量0.1Ω以下阻值时,C1、P1、P2、C2、接线柱到被测量电阻之间的连接导线电阻为 0.005Ω~0.01Ω;测量其它阻值时,连接导线电阻可不大于 0.05Ω。
4、电桥使用完毕后,“B”与“G”按钮应松开。“B1”开关应扳向“断”位置,避免浪费晶体管检流计放大工作电源。
5、如电桥长期搁置不用,应将电池取出。
6、如电桥长期搁置不用,在接触处可能产生氧化,造成接触不良,使接触良好,再涂上一薄层无酸性凡士林,予以保护。
7、电桥应贮放在环境温度+5℃~+45℃,相对湿度小于30%的条件下,室内空气中不应含有能腐蚀仪器的气体和有害杂质。
8、仪器应保持清洁,并避免直接曝晒和剧烈震动。
9、仪器在使用中,如发现检流计灵敏度显著下降,可能因电池寿命完毕引起,因更换新的电池。
10、在用户遵守技术条件所规定的使用、运输及储藏的条件下,从交货之日起一年内,因制造质量不良而发生损坏或不能正常工作时,制造厂应免费为用户修理产品,如无法修好时,则应免费给用户更换部件。
六、仪器成套性
随同产品供应的文件有:
1、使用说明书
2、产品合格证
3、装箱单
七、技术服务
用户在使用本仪器时,有任何技术性问题或需供仪器配件等,可直接与本公司联系。
(技术服务热线:15108314801/文先生)
电桥型号 技术参数
QJ23直流电阻电桥 测量范围:1Ω~9.999ΜΩ
QJ23a直流电阻电桥 测量范围:1Ω~11.110ΜΩ
QJ31直流单双臂电桥 测量范围:0.1mΩ~1.1110ΜΩ
QJ35变压比电桥 变比范围:1.02~111.12
QJ35-1变压比电桥 变比范围:1.02~1111.12
QJ36单双臂两用直流电桥 测量范围:1μΩ~1MΩ
QJ41电*管雷**测试仪 测量范围:0~3kΩ
QJ41A电爆管测试仪(军品) 测量范围:0~19.99Ω
QJ42直流双臂电桥 测量范围:0.1m~11Ω
QJ44直流双臂电桥 测量范围: 0.1mΩ~11Ω
QJ45携带式线路故障测试仪 阻值测量:1~1.011MΩ
基本量程:10~106Ω
QJ57直流电阻电桥 测量范围:0.01μΩ~1.11110kΩ学生型滑线惠期顿板式电桥 测量范围:0.01mv~1600mv
QJ49直流单臂电桥 次量范围:1Ω~1.11110MΩ
QS18A万能电桥
电容:1.0PF~1100μF 电阻:10mΩ0.1 电感:1.0μH~110H
20非平衡多用直流电桥
次量范围:0.1Ω~100KΩ单双臂非平衡三种测量方法
ZY4双臂电桥校验标准器 鉴定:0.05%以下各级双桥整体