小筱寄语
电力拖动是指用电动机拖动生产机械的工作机构使之运转的一种方法。它包括电源,电动机,控制设备,传动机构。要想机械完成一定的工艺,就要求电动机按工艺要求完成不同的旋转方式,用某一种线路连接控制设备使之达到要求,这些线路就是电力拖动控制线路。
电力行业交流群QQ群:548744559
一、电力拖动控制线路动作原理说明
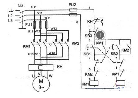
以接触器双重联锁正反转控制线路为例进行说明。电气原理图如下图所示。
线路动作原理如下:

1、先合上电源开关QS1.正转控制(如下图所示)

2、反转控制(如下图所示)

3.停止按下SB3.整个控制电路失电,主触头分断,电动机M失电停转。
二、电力拖动方案的确定选择
电力拖动方案的确定要从以下几个方面考虑:
(1)拖动方式的选择
电力拖动方式分独立拖动和集中拖动。电气传动的趋势是多电动机拖动,这不仅能缩短机械传动链,提高传动效率,而且能简化总体结构,便于实现自动化。具体选择时,可根据工艺与结构决定电动机的数量。
(2)调速方案的选择
大型、重型设备的主运动和进给运动,应尽可能采用无级调速,有利于简化机械结构、降低成本;精密机械设备为保证加工精度也应采用无级调速;对于一般中小型设备,在没有特殊要求时,可选用经济、简单、可靠的三相笼型异步电动机。
(3)电动机调速性质要与负载特性适应
对于恒功率负载和恒转矩负载,在选择电动机调速方案时,要使电动机的调速特性与生产机械的负载特性相适应,这样可以使电动机得到充分合理的应用。
三、电力拖动控制线路图大全
包括:点动线路,连续运转电路,正反转电路,多地控制线路,降压启动线路,多速异步电动机控制线路,位置控制线路等。这些都是电力拖动控制线路。
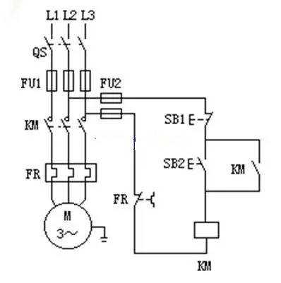
1、电动机连续运转控制原理图

2、电动机点动控制原理图

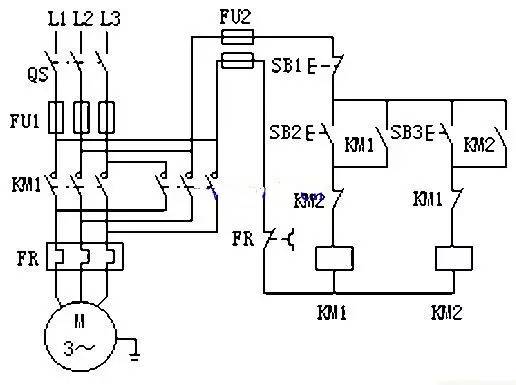
3、接触器控制的正反转电路

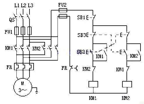
4、双重联锁正反转控制电路

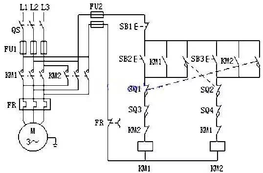
5、自动往返控制电路原理图

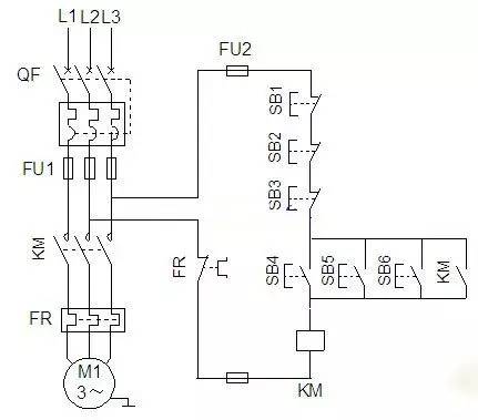
6、多地控制

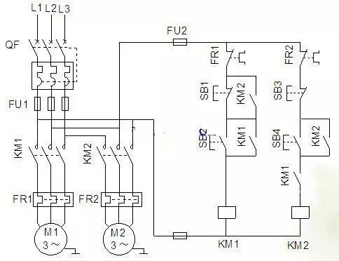
7、顺序控制—先启后停

8、顺序控制—先启先停

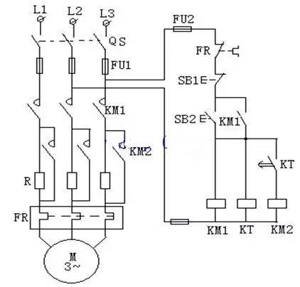
9、三相笼型异步电动机定子绕组串电阻起动

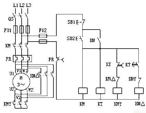
10、Y—△降压起动控制

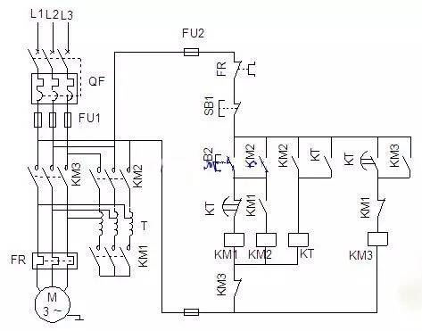
11、自耦变压器降压启动

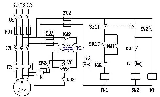
12、电动机耗制动控制电路的原理图

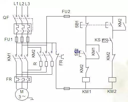
13、单向反接制动控制电路

源于网络看完文章后,您可以 指出小编的错误,进配电行业交流群的小伙伴看这里微信:peidiantong扣扣2927105692留言给小编你需要的内容!

配电通
了解电力行业,服务零距离
公众号:pdiantong
