伺服控制器与plc接线图 (伺服驱动接线与plc接线)

大家好,这次为大家整理了伺服驱动器与PLC的接线图,让大家了解伺服,用好伺服,服务于机械自动化行业。

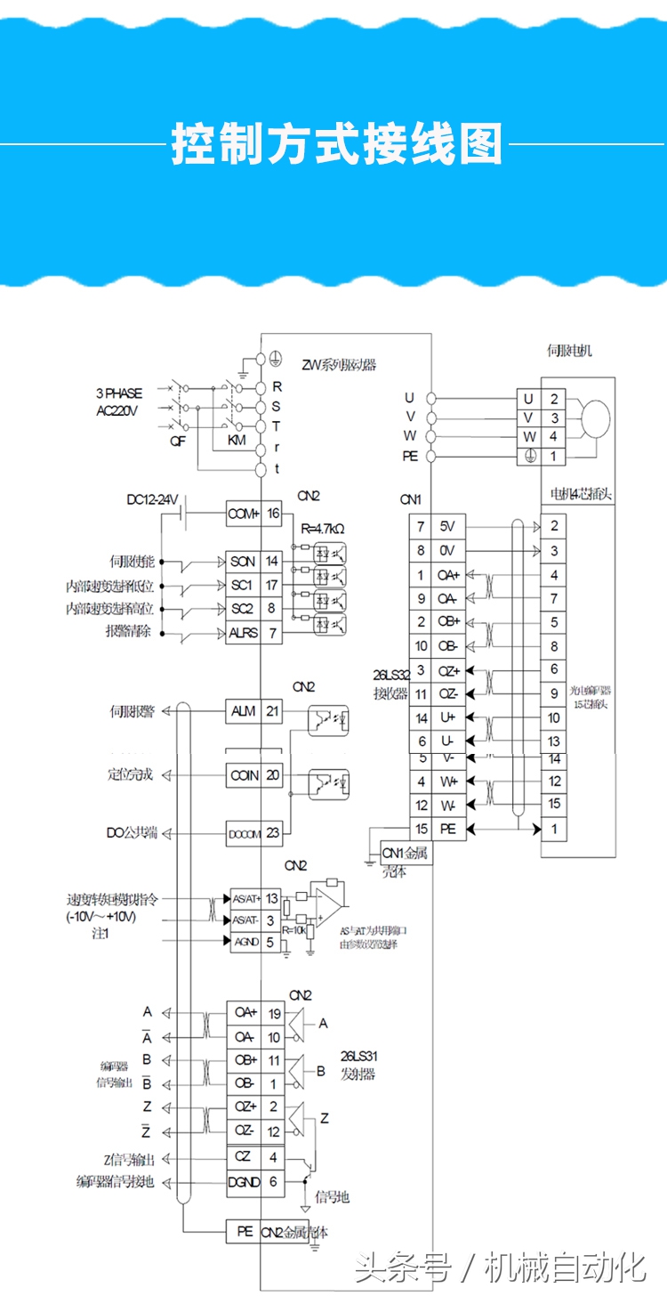
伺服电机plc编码器接线图,伺服驱动接线方法

伺服电机plc编码器接线图,伺服驱动接线方法

伺服电机plc编码器接线图,伺服驱动接线方法

伺服电机plc编码器接线图,伺服驱动接线方法

伺服电机plc编码器接线图,伺服驱动接线方法

伺服电机plc编码器接线图,伺服驱动接线方法

伺服电机plc编码器接线图,伺服驱动接线方法

伺服电机plc编码器接线图,伺服驱动接线方法

伺服电机plc编码器接线图,伺服驱动接线方法

伺服电机plc编码器接线图,伺服驱动接线方法

伺服电机plc编码器接线图,伺服驱动接线方法

伺服电机plc编码器接线图,伺服驱动接线方法