滤料是水处理过滤材料的总称,主要用于生活污水、工业污水、纯水、饮用水的过滤。
滤料(filtering media)主要分为两大类,一类是用以水处理设备中的进水过滤的粒状材料,通常指石英砂、砾石、无烟煤、鹅卵石、锰砂、磁铁矿滤料、果壳滤料、泡沫滤珠、瓷砂滤料、陶粒、石榴石滤料、麦饭石滤料、海绵铁滤料、活性氧化铝球、沸石滤料、火山岩滤料、颗粒活性炭、纤维球、纤维束滤料、彗星式纤维滤料等。
另一类是物理分离的过滤介质,主要包括过滤布、过滤网、滤芯、滤纸以及最新的膜。
01
锰砂滤料
采用天然锰矿石经机械破碎、水洗、多次筛分加工而成。外观呈褐色,表面粗糙。锰砂密度大、硬度高、不易磨损与破碎、化学性能稳定、不含有毒物质,是一种很强的氧化剂。
是介于石英砂和活性炭之间的一种滤料,具有石英砂过滤拦截功能也具有一定的活性炭吸附作用。常用于自来水处理,河水处理及污水处理,缺点是滤料成本高。

天然锰砂中含有MnO2,是Fe2+氧化成Fe3+的良好催化剂,对于生活饮用水、地下水除铁、除锰有独特的效果,常用于除铁除锰的过滤装置。含锰量(以MnO2计)不小于35%的天然猛砂滤料,既可用于地下水除铁,又可用于地下水除锰;含锰量为20%~30%的天然锰砂滤料,只宜用于地下水除铁;含锰量低于20%的则不宜采用。
锰砂滤料物理、化学性能分析

锰砂滤料的技术参数
常用规格:0.5~1.0mm,1~2mm,2~4mm。
02
活性炭
活性炭是一种非常优良的吸附剂,它是利用木炭、竹炭、各种果壳和优质煤等作为原料,通过物理和化学方法对原料进行破碎、过筛、催化剂活化、漂洗、烘干和筛选等一系列工序加工制造而成。活性炭具有物理吸附和化学吸附的双重特性,可以有选择地吸附气相、液相中的各种物质,以达到脱色精制、消毒除臭和去污提纯等目的。
能吸附水中的有机物、金属离子、除臭除味。一般用于中水回用、自来水、污水处理,除色除味,对于饮用水活性炭具有改善水的口感作用。

1、活性炭的吸附性
吸附性质是活性炭的首要性质。活性炭具有像石墨晶粒却无规则地排列的微晶,在活化过程中微晶间产生了形状不同、大小不一的孔隙。按IUPAC方法分:微孔小于1.0nm、中孔1~25nm、大孔大于25nm。活性炭微孔的孔隙容积一般只有0.25~0.9Ml/g,孔隙数量约为1020个/g,全部微孔比表面积约为500~1500㎡/g,也有称高达3500~5000㎡/g的。这些孔隙特别是微孔提供了巨大的表面积。
活性炭几乎95%以上的表面积都在微孔中,因此微孔是决定活性炭吸附性能高低的重要因素。中孔的孔隙容积一般约为0.02~1.0mL/g,比表面积最高可达几百平米,能为吸附物提供进入微孔的通道,又能直接吸附较大的分子。大孔的孔隙容积一般约为0.2-0.5mL/g,比表面积约0.5~2㎡/g,其作用一是使吸附质分子快速深入活性炭内部较小的孔隙中去;二是作为催化剂载体,作为催化剂载体时,催化剂只有少量沉淀在微孔内,大都沉淀在大孔和中孔之中。
2、影响活性炭吸附的主要因素
由于活性炭水处理所涉及的吸附过程和作用原理较为复杂,因此影响因素也较多,主要有活性炭的性质、水中污染物的性质、活性炭处理的过程原理以及选择的运转参数与操作条件等有关。
1)活性炭的性质
用于水处理的活性炭应有三项要求:吸附容量大、吸附速度快、机械强度好。活性炭的吸附容量除其他外界条件外,主要与活性炭比表面积有关,比表面积大,微孔数量多,可吸附在细孔壁上的吸附质就多。吸附速度主要与粒度及细孔分布有关,水处理用的活性炭,要求过渡孔(半径2.0~100nm)较为发达,有利于吸附质向微细孔中扩散。活性炭的粒度越小吸附速度越快,但水头损失要增大,一般在8~30目范围较宜。活性炭的机械耐磨强度,直接影响活性炭的使用寿命。
2)吸附质(溶质或污染物)性质同一种活性炭对于不同污染物的吸附能力有很大差别。
a.溶解度
对同一族物质的溶解度随链的加长而降低,而吸附容量随同系物的系列上升或分子量的增大而增加。溶解度越小,越易吸附,如活性炭从水中吸附有机酸的次序是按甲酸→乙酸→丙酸→丁酸而增加。
b.分子大小与化学结构
吸附质分子的大小和化学结构对吸附也有较大的影响。因为吸附速度受内扩散速度的影响,吸附质(溶质)分子的大小与活性炭孔径大小成一定比例,最利于吸附。在同系物中,分子大的较分子小的易吸附。不饱和键的有机物较饱和的易吸附。芳香族的有机物较脂肪族的有机物易于吸附。
c.极性
活性炭基本可以看成是一种非极性的吸附剂,对水中非极性物质的吸附能力大于极性物质。
d.吸附质浓度
吸附质的浓度在一定范围时,随着浓度增高,吸附容量增大。因此吸附质(溶质)的浓度变化,活性炭对该种吸附质(溶质)的吸附容量也变化。
3)溶液pH
溶液pH值对吸附的影响,要与活性炭和吸附质(溶质)的影响综合考虑。溶液pH值控制了酸性或碱性化合物的离解度,当pH值达到某个范围时,这些化合物就要离解,影响对这些化合物的吸附。溶液的pH值还会影响吸附质(溶质)的溶解度,以及影响胶体物质吸附质(溶质)的带电情况。由于活性炭能吸附水中氢、氧离子,因此影响对其他离子的吸附。活性炭从水中吸附有机污染物质的效果,一般随溶液pH值的增加而降低,pH值高于9.0时,不易吸附,pH值越低时效果越好。在实际应用中,应通过试验确定最佳pH值范围。
4)溶液温度
因为液相吸附时,吸附热较小,所以溶液温度的影响较小。吸附是放热反应。吸附热越大,温度对吸附的影响越大。另一方面,温度对物质的溶解度有影响,因此对吸附也有影响。用活性炭处理污水时,温度对吸附的影响不显著。
5)多组分吸附质共存
应用吸附法处理水时,通常水中不是单一的污染物质,而是多组分污染物的混合物。在吸附时,它们之间可以共吸附,互相促进或互相干扰。一般情况下,多组分吸附时分别的吸附容量比单组分吸附时低。
6)吸附操作条件
因为活性炭液相吸附时,外扩散(液膜扩散)速度对吸附有影响,所以吸附装管的型式、接触时间(通水速度)等对吸附效果都有影响。
03
无烟煤滤料
1、无烟煤滤料的加工与使用
无烟煤滤料采用优质无烟煤为原料,经精选、破碎、筛分等工艺加工而成。无烟煤滤料具有以下特点:化学性能稳定,不含有毒物质,耐磨损,在酸性、中性、碱性水中均不溶解;颗粒表面粗糙,有良好的吸附能力;孔隙率大(>50%),有较高的纳污能力;质轻,所需反冲洗强度较低,可节省反冲洗用水及电能。

无烟煤滤料同石英砂滤料配合使用,是我国目前推广的双层快速滤池和三层滤池、滤罐过滤的最佳材料;是提高滤速、增加单位面积出水量、提高截污能力、降低工程造价和减少占地面积最有效的途径。已广泛用于化工、冶金、热电、制药、造纸、印染、食品等生产前后的水处理过程中。
2、选择无烟煤滤料的要求
无烟煤滤料在过滤过程中所起作用直接影响着过滤的水质,故选择必须达到以下几点要求:
(1)机械强度高,破碎率和磨损率之和不应大于3%(按质量计);
(2)化学性能稳定,不含有毒物质,在一般酸性、中性、碱性水中均不溶解;
(3)粒径级配合理,比表面积大;
(4)粒径范围:小于指定的下限粒径不大于3%(按质量计),大于指定的上限粒径不大于2%(按质量计)。
3、产品规格与技术指标常用规格
0.8~1.2mm,0.8~1.8mm,1~2mm,2~4mm等。

无烟煤滤料技术参数
04
石英砂
石英砂是一种坚硬、耐磨、化学性能稳定的硅酸盐矿物,其主要矿物成分是Si02 , 可高达 99%。石英砂的颜色为乳白色带红色或无色半透明状,莫氏硬度7 , 性脆无解理,贝壳状断口,油脂光泽,相对密度为2.65, 其化学、热学和机械性能具有明显的异向性,不溶于酸,微溶于碱溶液,熔点1750℃。

目前,生产石英砂采用的原料有两种:
1、利用天然的河砂、海砂、分筛而成。优点是就地取材、造价低;缺点是:因受水的侵蚀时间过长,强度降低、磨损率与破损率高、使用周期短、机械强度差。这些缺点是影响滤速的首要因素。
2、利用天然石英矿床,经破碎、分筛、精选而成,具有密度大、机械强度高、颜色纯正的优点,适用于生活饮用水过滤、循环水处理以及污水的回收利用。石英砂常用的规格有:0. 5~1.0mm、0. 6~1. 2mm、1~2mm、2~4mm、4~8mm、8~16mm、16~32mm。
主要是通过截留过滤来净化水,去除水中的悬浮物杂质,提高水的透明度降低浊度。常用于河水净化,污水净化,地表水处理等。
05
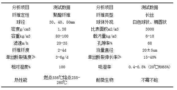
污水处理用纤维球滤料
纤维球滤料是由纤维丝扎结而成的,它与传统的钢性颗粒滤料相比,具有弹性效果好 、 不上浮水面、孔隙大、水头损失小、耐酸碱、可再生等优点;在过滤过程中,滤层空隙沿水 流方向逐渐变小,滤速快,截污能力大。适用于直接过滤的过滤设备,用于电力、油田、化 工、冶金、电子等行业的高标准用水以及循环水、旁滤水、废水的回收与利用。其物理、化学性能数据见表1。

纤维球滤料

纤维球滤料物理、化学性能数据

纤维球滤料主要技术指标
工作标准
1、根据进水量和沉淀出水浊度适当控制滤速,保证滤后水质,如果进水量过大,会影响纤维球滤料的性能。
2、每1~2小时观察一次进、出水浊度、pH值、余氯量、水头损失,正确填写生产日报表。
3、负责纤维球滤料滤池的启闭和冲洗及各项事故的排除;。
4、做好一级保养,配合好二级保养和参与纤维球滤料滤池大修理工作。
5、与调度、一、二级泵站和加抓、加矾操作人员保持密切联系,及时调整有关操作。
06
污水处理用陶粒
污水处理用陶粒滤料
1.定义
根据《水处理用人工陶粒滤料》(CJ/T-2008),水处理陶粒滤料是指用黏土、粉煤灰、页岩等材料为主要原料,经破碎、配方,成形后经高温烧成陶质的颗粒产品。陶粒表面坚硬、呈球形颗粒状,具有发达的微孔和大比表面积、孔隙率高,从而截污能力强、滤速高。根据用途的不同,水处理用陶粒可分为给水处理滤料和污水处理滤料两种。
2.要求
(1)人工陶粒滤料不应使滤后水产生有毒、有害成分;
(2)人工陶粒滤料的粒径范围一般为0.5~9.0mm,确定的陶粒滤料粒径范围中,小于最小粒径和大于最大粒径的赁均不应大于5%。
①给水用陶粒粒径:给水用陶粒粒径为1~2.5mm,其中大于2.5mm粒径的筛余量≤5%,小于1.0mm粒径的筛余量≤5%;
②污水处理陶粒粒径:污水处理陶粒粒径为2~4mm、3~6mm、5~8mm、6~9mm,同时应满足标准的有关要求。
(3)其他技术指标
陶粒滤料破碎率与磨损率之和、含泥量、盐酸可溶率、空隙率与比表面积的指标,应符合表3的规定。

污水处理用陶粒滤料的种类
1.黏土陶粒

以黏土、亚黏土等为主要原料,经加工制粒,烧胀而成的。如采用红黏土粉煤灰,页岩为主要原料,加入适量的化工原料,可生产出多孔球形轻质陶粒滤料。多孔陶粒滤料具有强度好、孔隙率大、比表面积大、化学稳定性好的优点,可以作为滤料用于污水和自来水的处理工艺中。
2.粉煤灰陶粒与粉煤灰陶砂
粉煤灰陶粒与粉煤灰陶砂是以工业废料粉煤为主要原料,加入一定量胶结料和水,加工成球形后烧结而成的。其粒径为5mm以上的轻粗骨料称为烧结粉煤灰陶粒;料径小于5mm的轻细骨料称为粉煤灰陶砂。
污水处理用粉煤灰陶粒滤料

粉煤灰陶粒
粉煤灰陶粒一般呈球状,堆积密度不大于1100kg/m³,粒径5~20mm,表皮粗糙坚硬,内部有许多细微气孔,具有体轻、高强等优点。
煤灰陶粒规格要求如下:
(1)粉煤灰陶粒的吸水率不应低于22%,软化系数不应小于0.80;
(2)粉煤灰陶粒的抗冻性要求如下:经15次冻融循环后的重量损失不应大于5%;也可用硫酸钠溶液法测定其坚固性,经5次特环试验后的重量损失不应大于5%;
(3)重摸损失要求如下:用煮沸法检验时,其重量损失不应大于2%;
(4)粉煤灰陶粒的烧失量不应大于4%;
(5)粉煤灰陶粒中有害物质应符合表4的规定。
粉煤灰陶粒中有害物质规定指标

粉煤灰陶粒具有比表面积大、表面能高、内部存在着铝、硅氧化物等活性点,具有良好的吸附性能,易于再生便于重复利用,因此是一种廉价的吸附剂。在废水处理中具有广阔的应用前景。
3.页岩陶粒

页岩陶粒又称膨胀页岩,采用黏土质页岩、板岩等为原料,经破碎、筛分,或粉磨成球,烧胀而成。陶粒滤料具有孔隙率高、比表面积大、化学性能稳定、机械强度高、过滤水质好、不含有害物质、渗透能力强、滤速高、产水匾高等特点,可作为水厂滤池和污水处理过滤的滤料。有关企业给出的技术指标如表5所示,供参考。
相关企业页岩陶粒主要技术指标

4.河底泥陶粒
大量的江河湖水经过多年的沉积形成了很多泥沙。利用河底泥替代黏土,经挖泥、自然干燥、生料成球、预热、焙烧、冷却制成陶粒。河底泥陶粒可以作为填料用千生物滤池处理污水。
5.硅藻土陶粒

硅藻土是由较细的硅藻壳聚集、经生物化学沉积作用形成的沉积岩,硅藻土呈疏松状,吸水和吸附能力强,熔点高,具有多孔结构。目前生产硅藻土陶粒有两种方法:焙烧法和免烧法。如果硅藻土成岩秤度较高,已呈块状,可以采用直接焙烧,然后破碎至所需粒度。免烧法是将粉碎好的硅藻土,配入CaO含量大于80%的石灰和模数为2.8的硅酸钠混合拌匀,在成球盘中加水滚动成球,经一定时间养护即成硅藻土陶粒。有人应用硅藻土陶粒作为滤池的填料,对城市污水处理厂尾水进行末端脱氮除磷深度处理的研究,结果表明处理后出水水质可稳定达到《城镇污水处理厂污染物排放标准》(GB18918—2002)一级A标准。
6.煤旰石陶粒

煤研石含有较高的碳及硫,烧失最较大。李国昌等以煤石为原料,分别采用破碎法和成球法制成滤料生料,经快升温或慢升温焙烧获得陶粒滤料,均能得到性能优良的陶粒制品,而成球法制品的气孔率普遍高于破碎法。实际生产时,可根据煤旰石特性、产品的性能要求、生产成本等确定煤旰石陶粒滤料的制备工艺。有人利用煤旰石作为主要原料,制备了生物滤池用陶粒滤料,将滤料用于曝气生物滤池反应器的实验,结果表明煤旰石陶粒滤料挂膜快、易于反冲洗,对水中有机物和NH3—N的去除效果良好。
7.生物污泥陶粒

以生物污泥为主要原材料,经过烘干磨碎、成球后,烧结成型。与石英砂相比,生物污泥陶粒的比表面积为同体积石英砂的2~3倍,孔隙率为石英砂的1.3~2倍。生物陶粒滤料可作为工业废水高负荷生物滤料池的生物膜载体、自来水微污染水源预处理用生物滤池的滤料。生物污泥陶粒可以皆用来铺设于景观水底,用以吸收水中的氨氮和磷等污染物。
8.纳米改性陶粒
合成新型的纳米陶粒是水处理填料用陶粒的一个新尝试,它对传统陶粒比表面积小,难挂膜,生物亲和力低、易堵塞等缺点有一定的改善。通过对陶粒生产原料配比、比表面积、孔隙尺寸及内部结构的综合考虑,不断优化制备工艺,并添加纳米材料和适当的膨胀剂进行改性,使陶粒朝增大空隙率、减少压降、增大比表面积、改善润湿性能和功能多样化的方向发展,不断提高填料的性能,以促进水处理工艺特别是生物膜法处理工艺的发展。
污水处理用陶粒的特点
1、采用无机惰性材料高温烧成,长期浸泡不会向水体释放任何物质,无二次污染;
2、比表面积大,作为填料适合各类微生物的生长,在其表面能形成稳定的、高活性的生物膜,处理出水水质好;
3、表面微孔多,生物亲和性好,微生物在其多孔的表面繁殖速度快,处理效率高;
4、具有很好的表面吸附性能,如在生物滤池系统中,陶粒表面不仅存在着生物氧化作用,还具有截留悬浮物和生物膜的作用;
5、形状规则,滤料层孔隙分布均匀,反洗效果好;能有效克服不规则滤料因滤料层孔隙分布不均匀而引起的水头损失、易堵塞、板结等缺陷;
6、采用一定的粒径级配,能提高纳污能力和滤料利用率,减少水头损失;
7、强度大、耐摩擦,物理、化学稳定性高,寿命长;
8、可规模化生产,价格便宜。目前,已开发出多种档次、不同价格的陶粒滤料,可根据水处理具体工程情况,满足用户的不同需求。
具体应用
陶粒采用无机惰性材料经烧胀或烧结而成,长期浸泡不会向水体释放任何物质,无二次污染,内部具有大量空隙,当水从陶粒层穿过时,可以吸收和拦截水中大量的杂质,因些,陶粒可以作为一种优质过滤材料用于过滤工艺中;同时其又具有质轻、比表面积大的特点,适用于作为微生物的载体用于污水的处理以及深度处理。
陶粒在水处理方面的应用主要有以下几个方面:
1、自来水的过滤
因为陶粒无毒、无味,过滤效果好,可用来作为滤料生产自来水。
2、作为生物填料用于给水预处理工艺
在给水处理预处理工艺中,目前一般采用生物膜法,主要包括生物接触氧化、生物滤池、生物转盘、生物流化床等。利用附着生长在填料表面的生物膜吸收水中的有机物、氮磷等营养物质进行新陈代谢,达到净化水质的目的。在山西大同册田水库、浴阳河、官厅水库、绍兴青甸湖等地,对受污染的水源进行生物预处理试验研究结果表明,采用生物污泥陶粒预处理可有效去除浊度、细菌、大鼠溶解性有机物、氨氮、色度等污染物质,能改善后续处理工艺对污染物的去除效果。
3、作为生物填料用于污水处理
作为生物接触氧化、生物滤池、生物转盘、生物流化床等微生物载体处理污水,如可以作为填料用于曝气生物滤池,处理城市生活污水。
4、污水深度处理
因其有多孔、比表面积大,因此吸附性能好,加上对酸碱的化学和热稳定性好等优点,可以作为吸附材料用于污水的深度处理。有资料表明,陶粒滤料对铬、银、锌和磷具有较强的去除作用,在一些场合可替代活性炭作廉价的吸附剂。
07
沸石滤料

1、天然沸石
天然沸石大部分由火山凝灰岩和凝灰质沉积岩在海相或湖相环境中发生反应而形成,为铝硅酸盐类矿物,外观呈白色或砖红色,属弱酸性阳离子交换剂。如经人工导入活性组分,使其具有新的离子交换或吸附能力,吸附容虽可相应增大。天然沸石主要用于中小型锅炉用水的软化处理,以去除水中的硬度,从而减少锅炉内水垢的生成。在废水处理中,可用于去除水中的磷以及铅、六价铭等重金属,失效后的沸石可用于浓盐水逆流再生后重复使用。
2、活化沸石特性
活化沸石是天然沸石经过多种特殊工艺活化而成,其吸附性能强,离子交换性能好,有利于去除水中的各种污染物。活化沸石是工业给水、废水处理及自来水过滤的新型理想滤料。沸石滤料技术参数见下。

沸石滤料技术参数
3、合成沸石
1)分子筛
分子筛按骨架元素组成可分为硅铝类分子筛、磷铝类分子筛和骨架杂原子分子筛;按孔道大小划分,孔道尺寸小于2nm、2-50nm和大于50nm的分子筛,分别称为微孔、介孔和大孔分子筛。大孔分子筛由于具有较大的孔径,成为较大尺寸分子反应的良好载体。分子筛具有很高的脱水能力,可应用于石油化学、制冷剂脱水、医药品保存剂等。同时,也可用作工业制气吸附剂(制氧PSA、制氢PSA、深冷分离)及半导体工业废气处理剂等。
2)高硅沸石
高硅沸石主要为斜发沸石和丝光沸石,它们分散在白堑纪和第三纪的正常海相条件下形成的沉积岩中,如细粒砂、硅质黏土、蛋白土、碳酸盐类岩石和磷块岩等,这些岩石中通常富含生物化学成因的氧化硅,其硬度一般在4-5,性脆质软且轻,易碎易磨,高硅沸石具有优异的疏水性、耐热性,主要用于石油精制、石油化学用催化剂载体。另外,对烃类、有机溶剂等也有优异的吸附能力,被应用于汽车尾气处理系统催化剂及各类工厂废气去除装置。
08
磁铁矿滤料

磁铁矿滤料是三层滤料滤池的必备材料,具有过滤速长快、截污能力强、使用周期长等特点。

污水处理磁铁矿滤料技术参数
09
果壳滤料

果壳滤料采用植物果壳为原料,经破碎、抛光、蒸洗、药物处理和多次筛选加工而成。可采用的植物果壳有核桃壳、椰子壳等。果壳滤料具有耐磨、抗压、不在酸碱性水中溶解、不腐烂、不结块、易再生,较强的除油性能等优点,被广泛运用在各种废水处理(特别是含油废水)中。果壳滤料是取代石英砂滤料来提高水质、大幅度降低水处理成本的新一代滤料。

果壳滤料技术参数
常用规格:10 ~1. 0mm, 0.8~1.2mm, 1.2~1.6mm,1.6~2.0mm。
1.果壳滤料的特点
(1)具有多孔和多面特性,截污力强,油和悬浮物去除率高;
(2)具有多棱性和不同粒径,形成深床过滤,增强了除油能力和滤速;
(3)具有亲水不亲油和适宜的密度,易反洗,再生力强;
(4)硬度大,且经特殊处理不易腐蚀,不用更换滤料,每年只补充少量,可节省维修费用和维修时间,提高利用率。
2.果壳滤料用途
(1)油田含油污水处理:去油和悬浮固体;
(2)其他工业含油污处理:去油和悬浮固体;
(3)工业用水处理:去除水中悬浮固体,提高水质。