按键,是一个基本的电子元器件。它分为贴片类型的和直插类型的,但如果是这样区分的话,不管如何划分,它都属于实体按键。
相对于实体按键,有另外一种“按键”可以在电路上代替它的功能,不仅如此,在使用体验效果上,还会显得更“高级”一点。
这种“按键”就是工程师熟悉的“触摸按键”。
触摸按键原理
实体按键的原理,它就是一个开关。按键按下去,开关就闭合,电路就正常工作;按键松开,开关就断开,电路就不工作。

实体按键
只是实体按键,它的闭合和断开是通过我们的手去按下与松开完成的。
触摸按键就不一样了,它的原理就是另外一套方法了。
触摸按键,它是通过检测输入电容大小的变化来判断。如果输入的电容增大,触摸按键就会输出一个电平状态;如果输入的电容没有变化,保持不变,触摸按键就会恢复原来的电平状态。
要知道,人的身体是一个导体,是可以导电的。当手去接触触摸按键,就会改变输入电容容值的变化。这个电容的变化,正好可以被触摸按键检测到,于是就形成了触摸的感应功能。
XW06A芯片
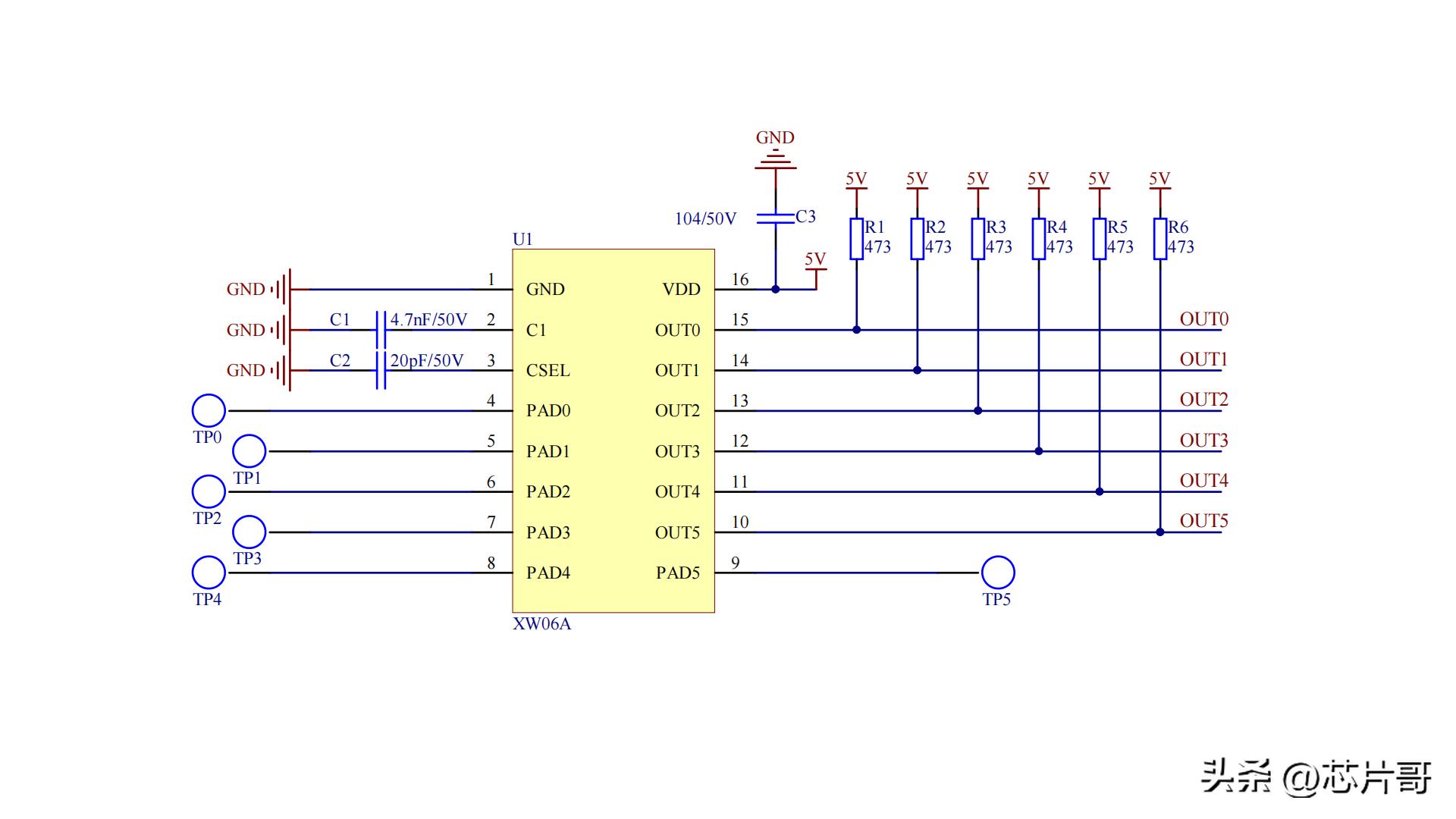
XW06A芯片,就是其中的一个触摸按键芯片,它能支持6通道的触摸输入。

XW06A芯片---厦门芯网
在这个电路中,TP0 ~ TP5就是输入的6通道触摸感应焊盘,OUT0 ~OUT5是输出的6通道信号引脚。
当我们用手触摸到感应焊盘TP0,OUT0引脚就会输出0V低电平;如果我们用手拿开感应焊盘TP0,OUT0引脚就会保持5V高电平。
同样地,TP1 ~ TP5和OUT1 ~OUT5的电路原理也是相同的。
这样,就相当于实现了之前传统实体按键的功能了。手接触感应焊盘,就相当于手按下实体按键;手离开感应焊盘,就相当于手松开实体按键。
只是触摸按键虽好,但它也有一个电路调试的问题,就是感应的灵敏度。
触摸芯片的感应灵敏度
就XW06A触摸芯片,它的6个按键感应灵敏度,是由一个外部的电容决定的。

触摸按键应用电路
电路中的CSEL引脚连接的C2电容,就是负责调节触摸灵敏度的。一般而言,容值越大,它对人体的感应灵敏度就会低;如果想要获得更好的感应效果,就需要把C2电容的容值调小一点就可以了。
好就好在,XW06A触摸芯片,它最大可以感应到13mm左右的距离,甚至即使中间隔着玻璃,它也能感应到,也能正常工作。
工程师在开发它的电路,写软件程序的时候,可以根据实际的项目需求,选取C2电容的容值。
芯片哥给出的参考值,C2容值在0pF ~ 100pF之间。
当然,灵敏度的调节,除了这个C2电容有关,还与触摸的感应焊盘大小有关,也与电路PCBLayout的布线有关,把它调好调成功,也是能考验一个工程师水平的。
电路参数
XW06A芯片,它的VDD工作电压在2.5V ~ 5.5V,既可以用3.3V给它供电,也可以用5.0V给它供电,都是没有问题的。
另外,在没有用手去感应触摸芯片,XW06A它会自己进入休眠状态,消耗的待机电流约为90uA。
说句实在的,这个90uA的待机电流,如果是和MCU的休眠电流做比较,还是有些偏大的,哈哈哈哈。
请持续关注【芯片哥】,后面会定期更新有关于电子元器件和芯片,包括一些电子产品项目开发案例的相关内容。