电路一、桥式整流电路

桥式整流电路
二极管的单向导电性:二极管的PN结加正向电压,处于导通状态;加反向电压,处于截止状态。

伏安特性曲线
理想开关模型和恒压降模型:理想模型指的是在二极管正向偏置时,其管压降为0,而当其反向偏置时,认为它的电阻为无穷大,电流为零,就是截止。恒压降模型是说当二极管导通以后,其管压降为恒定值,硅管为0.7V,锗管0.5V。
桥式整流电流流向过程:当u2是正半周期时,二极管Vd1和Vd2导通;而二极管Vd3和Vd4截止,负载RL的电流是自上而下流过负载,负载上得到了与u2正半周期相同的电压。在u2的负半周,u2的实际极性是下正上负,二极管Vd3和Vd4导通而Vd1和Vd2截止,负载RL上的电流仍是自上而下流过负载,负载上得到了与u2正半周期相同的电压。
电路二、电源滤波器

电源滤波器
电源滤波的过程分析:电源滤波是在负载RL两端并联一只较大容量的电容器。由于电容两端电压不能突变,因而负载两端的电压也不会突变,使输出电压得以平滑,达到滤波的目的。
-
波形形成过程
输出端接负载RL,当电源供电时,向负载提供电流的同时也向电容C充电,充电时间常数:
τ=(Ri∥RL·C)≈Ri·C
一般Ri远小于RL,忽略Ri压降的影响,电容上电压将随u2迅速上升。
当ωt=ωt1时,有u2=u0,此后u2低于u0,所有二极管截止,这时电容C通过RL放电,放电时间常数为RLC,放电时间慢,u0变化平缓。
当ωt=ωt2时,u2=u0, ωt2后u2又变化到比u0大,又开始充电过程,u0迅速上升。
当ωt=ωt3时,有u2=u0,ωt3后,电容通过RL放电。
如此反复,周期性充放电。由于电容C的储能作用,RL上的电压波动大大减小了。电容滤波适合于电流变化不大的场合。LC滤波电路适用于电流较大,要求电压脉动较小的场合。
-
滤波电容的容量和耐压值选择
电容滤波整流电路输出电压Uo在√2·U2~0.9·U2之间,输出电压的平均值取决于放电时间常数的大小。
电容容量RLC≧(3~5)·T/2,其中T为交流电源电压的周期。实际中,经常进一步近似为Uo≈1.2·U2整流管的最大反向峰值电压URM=√2·U2,每个二极管的平均电流是负载电流的一半。
电路三、信号滤波器

信号滤波器
信号滤波器的作用:把输入信号中不需要的信号成分衰减到足够小的程度,但同时必须让有用信号顺利通过。
-
与电源滤波器的区别和相同点
区别:信号滤波器用来过滤信号,其通带是一定的频率范围,而电源滤波器则是用来滤除交流成分,使直流通过,从而保持输出电压稳定;交流电源则是只允许某一特定的频率通过。
相同点:都是用电路的幅频特性来工作。
-
LC串联和并联电路的阻抗计算
串联时,电路阻抗为:
Z=R+j(XL-XC)=R+j(ωL-1/ωC)
并联时,电路阻抗为:

考虑到实际中,常有R<<ωL,所以有:


幅频关系和相频关系曲线,如下:

幅频关系和相频关系曲线

通频带曲线
电路四、微分和积分电路

微分和积分电路
微分电路可把矩形波转换为尖脉冲波,主要用于脉冲电路、模拟计算机和测量仪器中,以获取蕴含在脉冲前沿和后沿中的信息,例如提取时基标准信号等。积分电路使输入方波转换成三角波或者斜波,主要用于波形变换、放大电路失调电压的消除及反馈控制中的积分补偿等场合。其主要用途有:在电子开关中用于延迟;波形变换;A/D转换中,将电压量变为时间量;移相。
电路五、共射极放大电路

共射极放大电路
共射极放大电路的结构简单,具有较大的电压放大倍数和电流放大倍数,输入和输出电阻适中,但工作点不稳定,一般用在温度变化小,技术要求不高的情况下。
特点:
-
输入信号和输出信号反相。
-
有较大的电流和电压增益。
-
一般用作放大电路的中间级。
-
共射极放大器的集电极跟零电位点之间是输出端,接负载电阻。
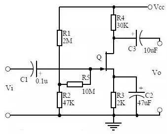
电路六、分压偏置式共射极放大电路

分压偏置式共射极放大电路
分压偏置式共射极放大电路即基极分压式射极偏置电路,是BJT的放大电路的三种组态之一。三种组态分别为:共射、共集、和共基。
其*共中**集组态具有电流放大作用。输入电阻最高,输出电阻最小。共基组态具有电压放大作用,输入电阻最小,输出电阻较大。而共射组态既具有电压放大也具有电流放大作用。输入电阻居中,输出电阻较大。
因此,共集组态多用于多级放大电路的输入级或输出级或缓冲级。共基组态常用于高频或宽频带低输入阻抗的场合。而共射组态常用于放大电路的中间级。
电路七、共集电极放大电路(射极跟随器)

共集电极放大电路(射级跟随器)
共集电极放大电路是从发射极输出信号的,信号波形和相位基本与输入相同,因而又称射极输出器或射极跟随器,简称射随器,常用作缓冲器使用。
共集电极放大电路常作为电流放大器使用,它的特点是高输入阻抗,电流增益大,但是电压输出的帽度几乎没有放大,也就是输出电压接近输入电压,而由于输入阻抗高而输出阻抗低的特性,也常作为阻抗变换器使用。
电路八、电路反馈框图

电路反馈框图
反馈:就是把放大电路的输出量的一部分或全部,通过反馈网络以一定的方式又引回到放大电路的输入回路中去,以影响电路的输入信号作用的过程。
放大电路静态工作点会随温度的变化而上下波动,其放大倍数不稳定,为了稳定放大电路的静态工作点,可采用分压式工作点稳定电路,在电路中引入一个直流电流负反馈。
为了提高输入电阻,降低输出电阻,可采用射极输出器,在射极输出器电路中引入电压串联负反馈。
电路九、二极管稳压电路

二极管稳压电路
稳压二极管:是指利用pn结反向击穿状态,其电流可在很大范围内变化而电压基本不变的现象,制成的起稳压作用的二极管。
稳压二极管的伏安特性曲线的正向特性和普通二极管差不多,反向特性是在反向电压低于反向击穿电压时,反向电阻很大,反向漏电流极小。但是,当反向电压临近反向电压的临界值时,反向电流骤然增大,称为击穿,在这一临界击穿点上,反向电阻骤然降至很小值。尽管电流在很大的范围内变化,而二极管两端的电压却基本上稳定在击穿电压附近,从而实现了二极管的稳压功能。
电路十、串联稳压电源

串联稳压电路
串联型稳压电路,除了变压、整流、滤波外,稳压部分一般有四个环节:调整环节、基准电压、比较放大器和取样电路。
当电网电压或负载变动引起输出电压V0变化时,取样电路将输出电压V0的一部分馈送回比较放大器和基准电压进行比较。
其产生的误差电压经放大后去控制调整管的基极电流,自动地改变调整管集—射极间的电压,补偿V0的变化,从而维持输出电压基本不变。
十一、差分放大电路

差分放大电路
差分放大电路具有电路对称性的特点,此特点可以起到稳定工作点的作用,被广泛用于直接耦合电路和测量电路的输入级。
差分放大电路有差模和共模两种基本输入信号,由于其电路的对称性,当两输入端所接信号大小相等、极性相反时,称为差模输入信号;当两输入端所接信号大小相等、极性相同时,称为共模信号。通常我们将要放大的信号作为差模信号进行输入,而将由温度等环境因素对电路产生的影响作为共模信号进行输入,因此我们最终的目的,是要放大差模信号,抑制共模信号。
差分放大电路是直接耦合放大电路的基本组成单元,该电路对于不同的输入信号有不同的作用,对于共模信号起到很强的抑制作用,而对差模信号起到放大作用,并且电路的放大能力与输出方式有关。
十二、场效应管放大电路

场效应管放大电路
场效应管与晶体管一样,也具有放大作用,但与普通晶体管是电流控制型器件相反,场效应管是电压控制型器件。它具有输入阻抗高、噪声低的特点。
场效应管的3个电极,即栅极、源极和漏极分别相当于晶体管的基极、发射极和集电极。
MOS管能工作在放大区,而且很常见。做镜像电流源、运放、反馈控制等,都是利用MOS管工作在放大区。由于MOS管的特性,当沟道处于似通非通时,栅极电压直接影响沟道的导电能力,呈现一定的线性关系。由于栅极与源漏隔离,因此其输入阻抗可视为无穷大,当然,随频率增加阻抗就越来越小,一定频率时,就变得不可忽视。这个高阻抗特点被广泛用于运放,运放分析的虚连、虚断两个重要原则就是基于这个特点。这是三极管不可比拟的。
十三、选频(带通)放大电

选频(带通)放大电路
选频放大电路通常位于接收系统的前端,放大的信号幅度小、频率高,亦称高频小信号谐振放大器或带通放大器。
十四、运算放大电路

运算放大电路
电路中的运算放大器,有同相输入端和反相输入端,输入端的极性和输出端是同一极性的就是同相放大器,而输入端的极性和输出端相反极性的则称为反相放大器。
同相输入的输入阻抗高,反相输入的输入阻抗低。同相输入的输入阻抗基本上由同相端并联的偏置电阻决定,这个电阻可以用得很大 ;反相输入时,由于有反馈电阻并联于反相端与输出端之间,这个反馈电阻不可能用得很大,所以反相输入的输入阻抗比较低。
十五、差分输入运算放大电路

差分输入运算放大电路
输出电压与运放两端的输入电压差成比例,能实现减法运算。常用作减法运算以及测量放大器。
十六、电压比较器

电压比较器
电压比较器是对输入信号进行鉴别与比较的电路,是组成非正弦波发生电路的基本单元电路。常用的电压比较器有单限比较器、滞回比较器、窗口比较器、三态电压比较器等。
电压比较器它可用作模拟电路和数字电路的接口,还可以用作波形产生和变换电路等。利用简单电压比较器可将正弦波变为同频率的方波或矩形波。
十七、RC振荡电路

RC振荡电路
采用RC选频网络构成的振荡电路称为RC振荡电路,它适用于低频振荡,一般用于产生1Hz~1MHz的低频信号。电路由放大电路、选频网络、正反馈网络,稳幅环节四部分构成。主要优点是结构简单,经济方便。根据RC选频网络的不同形式,可以将RC振荡电路分为RC超前(或滞后)相移振荡电路和文氏电路振荡电路。
十八、LC振荡电路

LC振荡电路
LC电路,也称为谐振电路、槽路或调谐电路,是包含一个电感(用字母L表示)和一个电容(用字母C表示)连接在一起的电路。该电路可以用作电谐振器(音叉的一种电学模拟),储存电路共振时振荡的能量。
LC电路既用于产生特定频率的信号,也用于从更复杂的信号中分离出特定频率的信号。它们是许多电子设备中的关键部件,特别是无线电设备,用于振荡器、滤波器、调谐器和混频器电路中。
十九、石英晶体振荡电路

并联型石英晶体振荡电路
石英晶体是石英晶体谐振器的简称,将二氧化硅结晶体按一定的方向切割成很薄的晶片,再将晶片两个对应的表面抛光和涂敷银层,并作为两个极引出管脚,加以封装,就构成石英晶体谐振器。它具有非常稳定的固有频率。
石英晶体的形状呈六角形柱体,需切割成适当尺寸之后才能使用。为得到不同振荡频率的石英晶体,加工时需采用不同的切割方法。将一个切割的石英晶体夹在一对金属片中间就构成了石英晶振,它具有压电效应,即在晶片两极外加电压,晶振就会产生变形:反之如果外力使晶片变形,则在两极金属片上又会产生电压,若加适当的交变电压,石英晶体便会产生谐振。当所加的交变电压频率恰为石英晶体自然谐振频率时,其振幅最大。
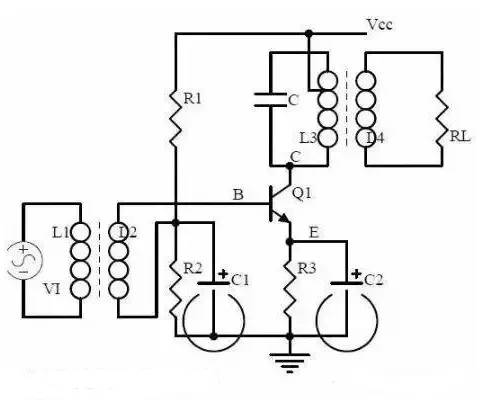
二十、功率放大电路

功率放大电路
功率放大电路是一种以输出较大功率为目的的放大电路。它一般直接驱动负载,带载能力要强。功率放大电路通常作为多级放大电路的输出级。
部分内容来源于网络,版权归原作者所有。如涉及版权或对版权有所疑问,请第一时间与我们联系,感谢。