很多走廊过道里都装有声光控延时自动灯头,经常出现不亮或常亮不关闭的毛病,闲来弄一个常亮的来修修。

拆下检查目测发现可控硅已有裂缝,估计是该元件击穿导致灯常亮的故障。
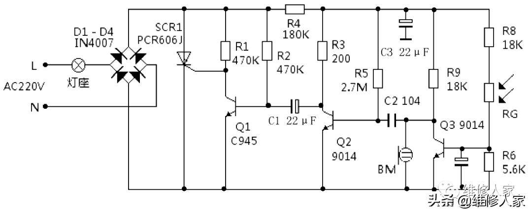
该声光控延时自动灯头工作电压为175V~250V,负载功率≤60W,静态功耗<0.2W。
整机工作原理如下图所示 (元件序号为自编):

工作原理简述如下:
市电经桥式整流后分成两路,一路是经R1、R2为Q1提供工作电压,正常情况下Q1是导通状态,集电极呈低电压,可控硅SCR1截止;另一路经R4降压、C3滤波后为Q2和Q3提供工作电压。白天光敏电阻RG呈低电阻状态,Q3因基极有电压而导通,从而将驻极体电容传声器BM短路,这样周围无论 是否有声都不会影响前级电路工作状态。
晚上光敏电阻RG呈高电阻状态,Q3基极因无电压而截止,BM恢复到正常工作状态,此时若周围有声音会被BM检测到并经C2送至Q2基极,此时Q2会完全导通并将C1进行放电,同时拉低Q1基极电平使Q1呈截止状态,Q1截止后其集电极便呈高电平状态,这时可控硅SCR1栅极因得到高平而呈导通状态,插在灯头里的白炽灯就点亮了。
因C1完成充放电需要一定的时间才能完成,所以达到了延时的目的。C3是为了防止瞬时干扰而设置的滤波元件。
检修过程: 原灯头使用的可控硅型号是PCR606J,而手头只有常用的 BT169,查参数时发现相差不大,于是将PCR606J拆下换上BT169, 再查其 他元件无异常,通电试机发现故障已完全排除。