项目五 555时基电路
1972年美国开发出NE555集成电路以来,出现LM555、μA555、XR555、CA555、RM555、FX555、5G1555等,已经形成一支庞大的队伍,常称为“555定时器”。各类555的等效电路、形式和内电阻虽然略有不同,但其基本结构并无根本差别。还有一种型号为556的集成电路,其内部相当于集成了两个555时基电路。
一、555时基电路特点
1.555内部电路结构是由模拟电路和数字电路组合而成,它将模拟功能与逻辑功能合为一体。
2.该电路采用单电源供电,电源范围宽,为2~18V。
3.555的最大输出电流达2000mA,带负载能力强,可直接驱动小型电动机、喇叭、继电器等负载。
555时基电路应用十分广泛,可以定时延时、分(倍)频、产生方波脉冲输出、速率检测、比较器、锁存器、反相器、整形、电源变换、音响报警、玩具、电控测量等。
二、时基电路的功能
1. 555电路的引脚功能

2. 555时基电路内部电路组成

3.555时基电路的逻辑功能

4. 556时基电路的引脚功能
引脚标号上方的“—”线,表示低电平有效,图3是NE556的实物及引脚排列图,NE556中包含两个独立的555定时电路。

三、555时基电路的应用
要系统掌握555电路的应用,应充分理解其内部结构,由图2内部结构可见,它有两个电压比较器。当比较器同相端的电压+V>反相端电压-V时,输出为高电平;当比较器同相端的电压+V<反相端电压-V时,输出为低电平。
8脚输入的电压,经过三个阻值相同的电阻分压后,5脚电平为2/3的Vcc,也即比较器C1的正输入端电平为2/3的Vcc,是固定的;当6脚输入的电压(高电平触发输入电压)小于2/3的Vcc时,比较器C1输出为低电平,即RS触发器的R端是0电平;当6脚电压高于2/3的Vcc时,比较器C1输出为高电平,即RS触发器的R端是1电平。
下比较器C2的负输入端为1/3的Vcc,是固定的。当2脚输入的电压(底电平触发输入电压)小于1/3的Vcc时,比较器C2输出为低电平,即RS触发器的S端是0电平;当2脚电压高于1/3的Vcc时,比较器C2输出为高电平,即RS触发器的S端是1电平。
2脚、6脚可以一脚接固定电压,另一脚接输入电压,也可以单独分开接输入电压。当2脚与6脚连在一起,变成一个输入端时,随着输入电压的变化(充放电),其输出端只有0或1输出,可以构成矩形波振荡电路。如图4 即是这种电路。
理解好以上内容,电路进行不同的连接,就能变为不同功能的电路。
1.闪灯电路
采用555时基集成电路组成的振动器闪灯电路如图4所示。

2.定时开关电路
图5是由555电路组成的触摸定时开关电路,555集成电路在这里接成单稳态电路。平时由于触摸片P端无感应电压,电容C1通过555第7脚放电完毕,第3脚输出为低电平,继电器KS释放,电灯不亮。
当需要开灯时,用手触摸一下金属片P,人体感应的杂波信号电压由C2加至555的触发端,使555的输出由低变成高电平,继电器KS吸合,电灯点亮。同时,555第7脚内部截止,电源便通过R1给C1充电,这就是定时的开始。
当电容C1上电压上升至电源电压的2/3时,555第7脚导通使C1放电,使第3脚输出由高电平变回到低电平,继电器释放,电灯熄灭,定时结束。
定时长短由R1、C1决定。T=1.1R1*C1,按图中所标数值,定时时间约为4分钟。D1可选用1N4148或1N4001。

3.双稳态电路
所谓双稳态触发器是指电路有两个稳定状态1和0输出,当没有触发信号输入时电路一直保持原来状态,当输入触发时电路状态发生改变,每触发一次电路才翻转工作一次,因此在数字电子技术上常用作构成各种计数器。这里我们对555双稳电路的工作方式进行介绍。
555双稳电路可分为两种单元电路,第一种是RS触发电路见图6。
(a)为双端输入双稳态电路,电路特点:有R和S两个输入端,两个输入端的触发电平不同,主要用作电压比较器、电子开关、检测电路等。
(b)为单端输入双稳态电路,单端比较器可以是6端固定,2端输入;也可是2端固定,6端输入。电路特点:只有一个输入端,多用于触发控制器。

另一种是施密特触发电路见图7,有基本形式的(a)和输入端电阻调整偏置或在控制端⑤加控制电压VCT以改变阈值电压的(b)共两个单元电路。
(a)电路的特点是结构简单,控制电压阀值固定,主要用于电子开关、监控报警等。
(b)电路的特点是可通过调节R1、R2的值或改变VCT对阀值电压进行调整,多用于脉冲整形或产生方波输出。

双稳态电路的输入信号端一般没有定时电阻和定时电容。这是双稳态电路工作方式的结构特点。(b)电路中的C1只起耦合作用,R1和R2起直流偏置作用。
4. 电机控制电路


5.电子灭蝇器的电路图
电子灭蝇器利用加在电网上的高压脉冲电压击毙触网的苍蝇。使用时网内设下诱饵以吸引苍蝇,对所有飞到灭蝇网上的苍蝇均能予以杀灭。电子灭蝇器电路如图9所示,ICl时基集成电路555与电阻Rl、R2以及电容Cl组成无稳态振荡电路,从ICl的③脚输出频率约为30Hz、占空比为10%的连续方波。该方波经过电阻R3耦合至三极管VTl、VT2,放大后推动升压变压器T升压,使接在变压器次级的灭蝇电网带有上千伏的高压,从而实现杀灭苍蝇的功能。灭蝇网可用l4号铁丝制作,相邻铁丝距离约为6mm。为防止小孩误触高压电网,灭蝇器应放置在离地面几米的高处,且应固定牢靠。

6.光控制路灯开关电路
电路工作原理是,R1与VD1组成约5V的稳压电路,白天时,光电三极管VT由于受强光照射而呈现底阻值,则IC的2、6脚为高电平,3脚为底电平输出,晶闸管VS无触发不导通,照明灯H不亮,黑夜,VT阻值增大,IC的2、6脚电平下降,当小于1/3Vcc时,其3脚输出高电平,VS导通,H灯点亮。

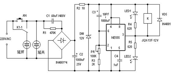
7.声光控定时节电开关电路图

声明:以上内容为作者精心整理,帮助大家学习模拟电子技术基础知识,请勿用作他途。