太阳能热水器和燃气热水器组合供应热水,无论是串联还是并联,都不是很好的方式,原因如下:
串联一起供热水的缺陷:
每次用热水,无论太阳能水的温度多高,都要流经燃气热水器,燃气热水器就会启动,增加了启停次数,会缩短其使用寿命,因为燃气热水器的配件,如水流开关、燃气阀、风压开关等,都是有使用次数寿命的。而且进入燃气热水器的高温水还会影响水流开关、密封垫、温度传感器等的使用寿命。
并联一起供热水的缺陷:
需要在两个热水器上都安装水阀。一个热水器用的时候,另一个热水器要关掉,很麻烦。如果家里只有老人或者小孩,可能不知道怎么操作。另一个弊端是,当太阳能的水温达不到直接洗澡的要求(比如只有30°C)时,无法进入燃气热水器进行二次加热,只能用自来水进入燃气热水器进行加热,在自来水水温很低的冬季消耗大量能源。
配套安装恒尔暖自控中心,以上缺陷全解决

(燃气热水器+恒尔暖自控中心安装实景)
在太阳能和燃气热水器组合一起的热水系统上,安装上恒尔暖自控中心,就可以轻松实现以下做法:当太阳能水温足够时,直接到各个用水点,水流不经过燃气热水器,燃气热水器不会启动,当太阳能水温不足时,会自动流经燃气热水器进行二次加热,然后再流向各个用水点。
全程智能控制,无需手动开关阀门,太阳能的高温水不会进入燃气热水器。而且在太阳能水温不足时,燃气热水器对太阳能水自动进行二次加热,比自来水直接加热节能显著。

(恒尔暖自控中心工作原理图)
合肥恒暖通设备有限公司凭借20年水暖经验发明的这个自控中心,不仅可以用于太阳能热水器和燃气热水器的组合,还可以用于其他任何两种热水器的组合。理想情况下,一个热水器是作为常用的,一般是非常节能的储水式热水器,比如:太阳能热水器、空气能热水器;另一个是补充式热水器,一般是能快速加热的热水器,如燃气热水器、燃气壁挂炉、即热式电热水器等,只有当常用热水器出水温度不够时,才启动其进行二次加热。储水式热水器不是理想的补充热水器。

(燃气壁挂炉和恒尔暖自控中心安装实景)
太阳能热水器和燃气热水器结合起来供应热水时,热水管道应该如何设计,与太阳能热水器、燃气热水器、恒尔暖自控中心应该如何连接?按照做不做零冷水系统,可以分为以下两种情况。
太阳能+燃气热水器+恒尔暖自控中心,不用零冷水的系统设计
由于太阳能热水器有非压力式和压力式两种,所以也有两种系统图。详见下文。

(无压太阳能+燃气热水器+恒尔暖自控中心组合热水供应系统图)

(承压太阳能+燃气热水器+恒尔暖自控中心组合热水供应系统图)
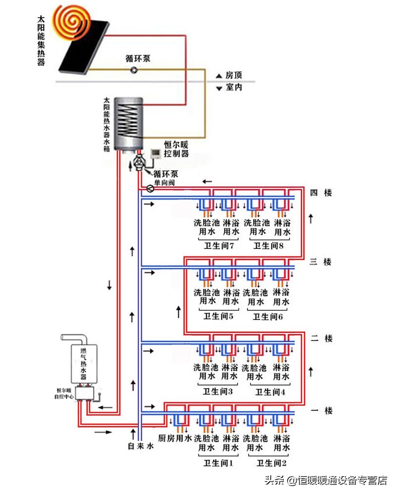
从上面两张图可以看出,太阳能热水出水管直接与自动控制中心的右下口相连,中间没有热水点。自动控制中心的左下口与热水总管连接,自动控制中心的右上口与燃气热水器的冷水进口连接,自动控制中心的左上口与燃气热水器的热水出口连接。
太阳能+燃气热水器+恒尔暖自控中心,做零冷水系统的设计

(承压式太阳能+燃气壁挂炉+恒尔暖自控中心组合)
要做一个即开即有热水的零冷水系统,必须要把家里的热水管做一个闭合回路。由于无压太阳能热水器水箱只有一个水口,上水和下水共用一根管道,不能形成闭合回路,而有压太阳能水箱有两个水口,可以分别接进水和出水管道,可以实现闭合回路。因此,利用太阳能制作零冷却水系统的两种方式是有区别的。下面分别介绍。
1.恒尔暖自控中心+承压太阳能+燃气热水器+零冷水循环系统。

(单层复式房承压式太阳能+燃气热水器+恒尔暖自控中心+热水循环系统图)

(别墅承压太阳能+燃气热水器+恒尔暖自动中心+热水循环系统图)
从上图可以看出,自动控制中心与太阳能、燃气热水器的连接与无零冷水系统相同。区别是热水主管到最后一个用水点后,继续向前布置在太阳能水箱的入口处,通过三通与自来水管结合的方式将热水返回水箱。这样从水箱-自控中心-燃气热水器(水温不足时)-所有用水点-水箱布置管道,形成一个完整的闭合回路。在最后一个用水点和水箱进水口之间安装循环泵和循环泵定时温控器;在最后一个用水点和自来水合流三通之间安装单向阀,使热水只流向水箱,防止自来水回流到热水管道。
恒尔暖自控中心+储水罐+无压太阳能+燃气热水器+零冷水循环系统。

(非承压太阳能+燃气热水器+恒尔暖自控中心)
家里装了无压太阳能热水器,想做零冷水系统。建议安装储能缓冲水罐,可有效避免燃气热水器频繁启停,降低燃气能耗。详见下图。

(单层复式房恒尔暖自控中心+非承压太阳能+燃气热水器+水罐+热水循环系统图)

(别墅恒尔暖自控中心+非承压太阳能+燃气热水器+水罐+热水循环系统图)
从上述系统图中可以看出,无压太阳能下水管与加装的储能缓冲水罐的进水口相连,储能缓冲水罐的出水口与自动控制中心的右下口相连,自动控制中心的左下口与热水总管相连,其依次穿过每个用水点,至最后一个用水点,继续向缓冲水罐方向布置,通过三通与太阳能下水管连接或直接连接到储水关的回水口。热水循环泵和控制器安装在最后一个用水点和水罐的回水口(进水口)之间。
热水循环时,热水在缓冲水罐-自动控制中心-燃气热水器(水温低于自控中心设定的水温)-各用水点-循环泵-缓冲水罐之间循环;当打开水龙头使用热水时,太阳能水箱中的水流下来进入热水系统,首先进入水罐,与水罐中的水混合,热水从水罐上的水口流出。首先由自控中心检测。如果水温高于设定水温,则直接流向用水点。如果低于设定的水温,水流经过燃气热水器二次加热,然后流向用水点。
零冷水系统中时间和温度的设置
在由燃气热水器、恒尔暖自控中心、循环泵及其控制器设计的热水循环系统中,无论是承压还是无压太阳能,设定自控中心和循环泵控制的启动时间和水温是非常重要的,设定的合理可以很节能。这些设置如下:
在每个时间段的起点,循环泵应比自控中心早几分钟;水温的设定还应满足以下条件:燃气热水器水温(如58℃)>循环泵水温(如43℃)>自控中心水温(如40℃),这样只要水管内水温低于循环泵设定的水温,循环泵就会启动循环。由于此时水温还没低于自控中心设定的水温,自控中心不会启动。只要水罐里的水温高于自控中心设定的温度,自控中心就永远不会启动,燃气热水器也不会工作。

(恒尔暖自控中心+燃气壁挂炉安装实景)
总结
太阳能热水器和燃气热水器相互配合供应热水,并安装恒尔暖自动控制中心,不仅可以先利用太阳能的出水,而且在水温不足时,燃气热水器可以自动进行第二次加热,每个水龙头还可以实现零冷水出水,无需等待,也不浪费冷水,全程自动控制,无需手动开关阀门,方便舒适,节能环保。
为方便感兴趣的网友详细了解和购买,我找到这个产品在淘宝网上的链接放下面,可以点击了解:
淘宝网 - 淘!我喜欢